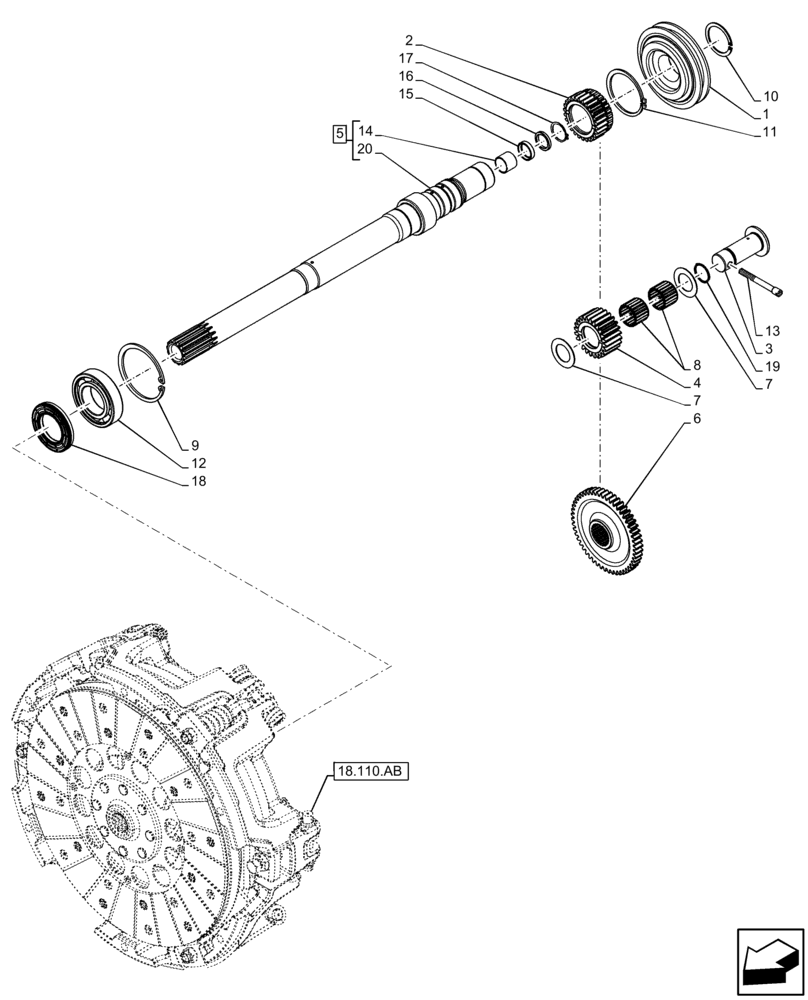
Запчасти Case IH FARMALL 75C (21.162.AF) - VAR - 330272, 332079, 334174, 390067, 743546, 744576 - REVERSE TRANSMISSION GEAR (21) - TRANSMISSION

Схема запчастей Case IH FARMALL 75C - (21.162.AF) - VAR - 330272, 332079, 334174, 390067, 743546, 744576 - REVERSE TRANSMISSION GEAR (21) - TRANSMISSION
11
12
17
18
16
13
7
7
8
1
2
14
10
20
6
15
4
3
19
5
9
18.110.ab
FIT
1:1
100%

Артикул

Название

Примечание

Количество

1

84235038

SYNCHRONIZER

1шт.

2

84237565

GEAR

Driver

1шт.

3

84237570

PIN

1шт.

4

84237574

GEAR

1шт.

5

84351821

CLUTCH INPUT SHAFT

ASSY, Incl 14, 20

1шт.

6

84237566

GEAR

Driven

1шт.

7

84246742

THRUST WASHER

2шт.

8

84474241

NEEDLE BEARING,28mm ID x 35mm OD x 16mm W

2шт.

9

11062176

CIRCLIP,M85, Int

1шт.

10

11386776

SNAP RING,M45, Ext

1шт.

11

11070276

SNAP RING,M68, Ext

1шт.

12

ST202

BEARING, BALL,45mm ID x 85mm OD x 19mm W

1шт.

13

5152965

CLUTCH CENTRALIZER,M10 x 1.25, 80.5mm L

1шт.

14

5124504

BUSHING

22.08mm ID x 25mm OD x 20mm Thk

1шт.

15

5124750

RUBBER SEAL

1шт.

16

84364285

SPACER

1шт.

17

11069076

SNAP RING,M45, Ext

1шт.

18

84252148

SEAL

1шт.

19

2852978

O-RING,0.103" Thk x 0.924" ID, -119, Cl 7, 75 Duro

1шт.

20

NSS

NOT SOLD SEPARAT

Gear, Incl in 5

1шт.

Выбрано товаров: 20