Запчасти Case IH FARMALL 75C (23.101.AK[02]) - VAR - 330328, 335672, 335676, 390328, 743559 - IDLER, CONTROL, W/O CAB (23) - FOUR WHEEL DRIVE SYSTEM

Схема запчастей Case IH FARMALL 75C - (23.101.AK[02]) - VAR - 330328, 335672, 335676, 390328, 743559 - IDLER, CONTROL, W/O CAB (23) - FOUR WHEEL DRIVE SYSTEM
23.101.af (01)
9
23.101.al
6
7
5
2
90.110.ap (01)
4
23.101.af (01)
3
21.118.af (01)
8
1
FIT
1:1
100%

Артикул

Название

Примечание

Количество

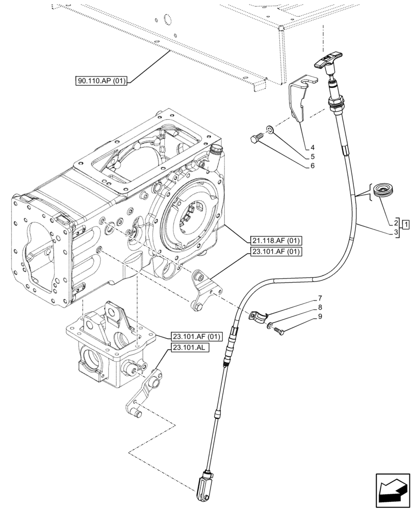
1

84309828

FLEXIBLE CONTROL,1059mm L

Double Traction, ASSY, Incl 2, 3

1шт.

2

82006917

GROMMET,7.8mm ID x 34mm OD, Rubber, Black

1шт.

3

NSS

NOT SOLD SEPARAT

Cable, Incl in 1

1шт.

4

84322703

BRACKET

1шт.

5

84188434

WASHER,8.4mm ID x 16mm OD x 1.6mm Thk

2шт.

6

86980379

BOLT,Hex, M8 x 1.25 x 20mm, Cl 8.8

2шт.

7

84405016

CLEVIS

1шт.

8

12637824

WASHER,5.15mm ID x 11mm OD x 1mm Thk

5.15 x 11 x 1 CST DAC

2шт.

9

14304627

HEX SOC SCREW,M5 x 14mm, Cl 8.8, Full Thd

2шт.

Выбрано товаров: 9