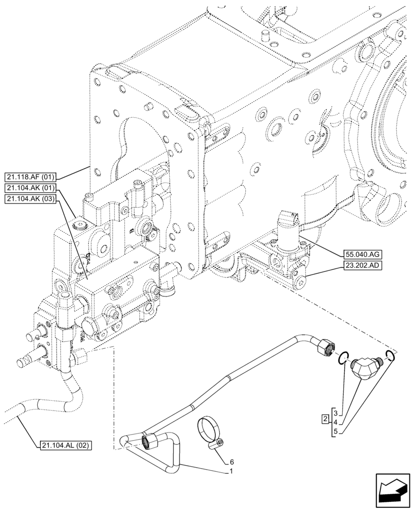
Запчасти Case IH FARMALL 75C (23.202.AN[02]) - VAR - 335694, 335695, 744580 - TRANSMISSION LUBRICATION LINE (23) - FOUR WHEEL DRIVE SYSTEM

Схема запчастей Case IH FARMALL 75C - (23.202.AN[02]) - VAR - 335694, 335695, 744580 - TRANSMISSION LUBRICATION LINE (23) - FOUR WHEEL DRIVE SYSTEM
4
2
6
1
21.118.af (01)
21.104.ak (01)
5
3
23.202.ad
55.040.ag
21.104.ak (03)
21.104.al (02)
FIT
1:1
100%

Артикул

Название

Примечание

Количество

1

84530287

RIGID TUBE

To Pump from Idler

1шт.

2

86579686

90 ELBOW,11/16"-16 ORFS x M14 x 1.5 ORB

ASSY, Incl 3 - 5

1шт.

3

86598099

O-RING,2.2mm Thk x 11.3mm ID, Cl 6

1шт.

4

NSS

NOT SOLD SEPARAT

Elbow, Incl in 2

1шт.

5

9993141

O-RING,0.07" Thk x 0.364" ID, -12, Cl 6, 90 Duro

1шт.

6

13000690

HOSE CLAMP,32mm - 50mm, Worm Gear

32 x 50mm STL ZND

1шт.

Выбрано товаров: 6