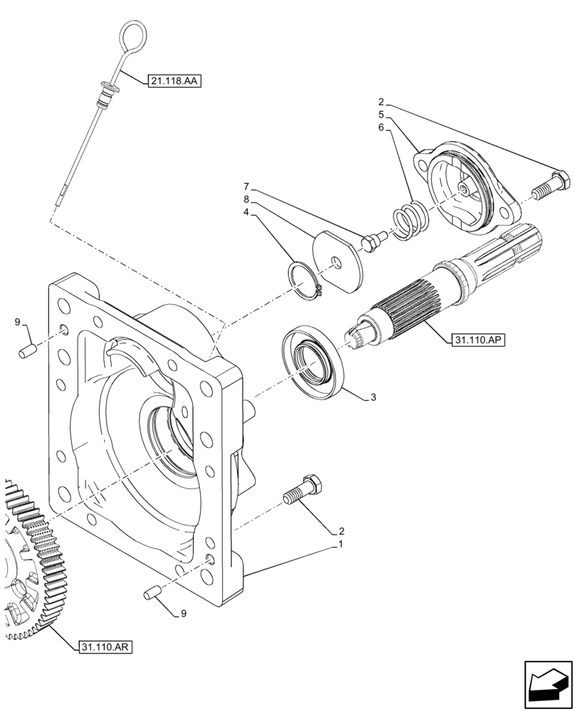
Запчасти Case IH FARMALL 75C (31.110.AI[01]) - VAR - 392808, 743565 - PTO 540 RPM, SHUTTLE, COVER (31) - IMPLEMENT POWER TAKE OFF

Схема запчастей Case IH FARMALL 75C - (31.110.AI[01]) - VAR - 392808, 743565 - PTO 540 RPM, SHUTTLE, COVER (31) - IMPLEMENT POWER TAKE OFF
5
3
4
8
2
21.118.aa
31.110.ar
9
31.110.ap
9
7
1
6
2
FIT
1:1
100%

Артикул

Название

Примечание

Количество

1

84568896

COVER

1шт.

2

15540524

SCREW,Hex, M12 x 1.25 x 35mm, Cl 8.8

10шт.

3

5125897

OIL SEAL,40mm ID x 80mm OD x 12mm Thk

1шт.

4

11068876

SNAP RING,M40, Ext

1шт.

5

84226359

COVER

1шт.

6

47132279

SPRING,Compression, 33mm OD x 29mm L

1шт.

7

47130774

PIN,13.5mm OD x 22mm L

1шт.

8

47131175

BRAKE DISC,14mm ID x 70mm OD x 4mm Thk

1шт.

9

4988170

PIN,10mm OD x 20mm L

10 x 20

2шт.

Выбрано товаров: 9