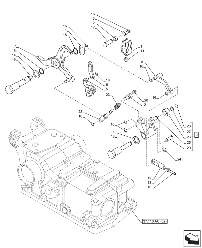
Запчасти Case IH FARMALL 75C (37.110.AK[05]) - VAR - 743595, 743596 - HYDRAULIC LIFT, INSIDE, CONTROLS, TIE-ROD, LEVER (W/ LIFT-O-MATIC) (37) - HITCHES, DRAWBARS & IMPLEMENT COUPLINGS

Схема запчастей Case IH FARMALL 75C - (37.110.AK[05]) - VAR - 743595, 743596 - HYDRAULIC LIFT, INSIDE, CONTROLS, TIE-ROD, LEVER (W/ LIFT-O-MATIC) (37) - HITCHES, DRAWBARS & IMPLEMENT COUPLINGS
37.110.ac (02)
16
7
16
18
13
22
28
3
20
23
1
29
15
16
17
26
9
25
16
21
14
14
12
2
5
15
24
16
8
11
27
10
4
19
6
16
16
FIT
1:1
100%

Артикул

Название

Примечание

Количество

1

84188536

LINK

1шт.

2

84188537

ROLLER

10/8 x 7mm

1шт.

3

84188538

ROLLER

12/8 x 7mm

1шт.

4

84188539

CONTROL LEVER

1шт.

5

84188540

CAM

1шт.

6

84188541

LINK

1шт.

7

84262823

ROCKER ARM

1шт.

8

47780317

TIE-ROD

1шт.

9

47780320

LEVER

ASSY, Incl 25 - 29

1шт.

10

84188511

SCREW,Hex, M8 x 25mm

1шт.

11

84021161

SET SCREW,M8 x 12mm

1шт.

12

84188535

LINK

1шт.

13

84188546

NUT,M8 DIN 936

1шт.

14

84188547

WASHER

18.5/24 x 1.5

2шт.

15

84188548

SNAP RING

3шт.

16

11087776

CIRCLIP,Ext., M6, BLO

18шт.

17

84188553

PIN

1шт.

18

47780325

PIN

1шт.

19

84188545

SPECIAL PIN

1шт.

20

12574211

NUT,M6 x 1, Cl 8

1шт.

21

84188550

SPECIAL PIN

1шт.

22

84262887

LINCH PIN

1шт.

23

84188552

SPRING

1шт.

24

300624

SNAP RING,M12, Ext

1шт.

25

NSS

NOT SOLD SEPARAT

Idle Lever, Incl in 9

1шт.

26

NSS

NOT SOLD SEPARAT

Bushing, Incl in 9

1шт.

27

NSS

NOT SOLD SEPARAT

Washer, Incl in 9

1шт.

28

NSS

NOT SOLD SEPARAT

Circlip, Incl in 9

1шт.

29

NSS

NOT SOLD SEPARAT

Pin, Incl in 9

1шт.

Выбрано товаров: 29