Запчасти Case IH FARMALL 75C (37.110.AQ[04]) - VAR - 743596 - HYDRAULIC LIFT, SUPPORT (W/ LIFT-O-MATIC, W/ 1 AUXILIARY LIFT RAM) (37) - HITCHES, DRAWBARS & IMPLEMENT COUPLINGS

Схема запчастей Case IH FARMALL 75C - (37.110.AQ[04]) - VAR - 743596 - HYDRAULIC LIFT, SUPPORT (W/ LIFT-O-MATIC, W/ 1 AUXILIARY LIFT RAM) (37) - HITCHES, DRAWBARS & IMPLEMENT COUPLINGS
35.100.bi (02)
17
14
12
8
5
9
20
8
13
10
23
1
4
3
10
16
22
13
19
24
15
2
7
21
11
18
13
6
37.110.ac (02)
FIT
1:1
100%

Артикул

Название

Примечание

Количество

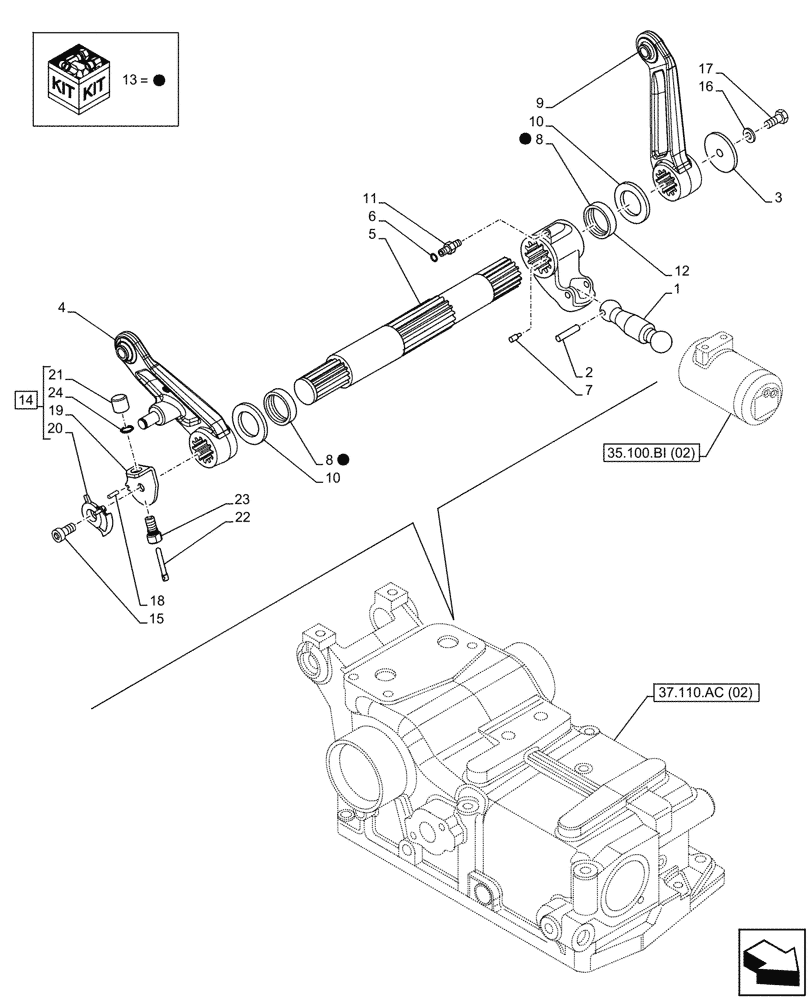
1

84188528

LINK

1шт.

2

84188532

PIN

8 x 50mm

1шт.

3

84563264

WASHER

1шт.

4

84529986

LIFT ARM

RH

1шт.

5

47780301

SHAFT

1шт.

6

11087776

CIRCLIP,Ext., M6, BLO

1шт.

7

877-51020

SCREW,M0 x 20mm

M10 x 20

1шт.

8

84262505

OIL SEAL, 50mm ID x 65mm OD x 8mm Thk

2шт.

9

84529991

LIFT ARM

LH

1шт.

10

84188524

RING

2шт.

11

84188525

PIN

1шт.

12

84188527

CRANK

1шт.

13

47779933

SEAL KIT

ASSY, Incl 8

1шт.

Include also Gaskets in Figure 35.100.BI (02), 37.110.AK (04) (06)

1шт.

14

47134460

STOP

ASSY, Incl 20 - 24

1шт.

15

5194674

HEX SOC SCREW,Hex, M14 x 1.5 x 47mm

1шт.

16

11194174

BELLEVILLE WASHER,M14 Bolt Size x 27mm OD x 3mm Thk

1шт.

17

11122321

BOLT,Hex, M18 x 70, 8.8

1шт.

18

87016672

LOCK PIN,5mm OD x 16mm L, Slotted

1шт.

19

87696283

SUPPORT

1шт.

20

47134217

SECTOR

1шт.

21

47134218

KNOB

1шт.

22

47134219

ADJUSTMENT SCREW,M8 x 1.25 x 63mm L

1шт.

23

5194677

BOLT,Bolt

1шт.

24

14457280

O-RING,0.103" Thk x 0.612" ID, -114, Cl 5, 75 Duro

1шт.

Выбрано товаров: 25