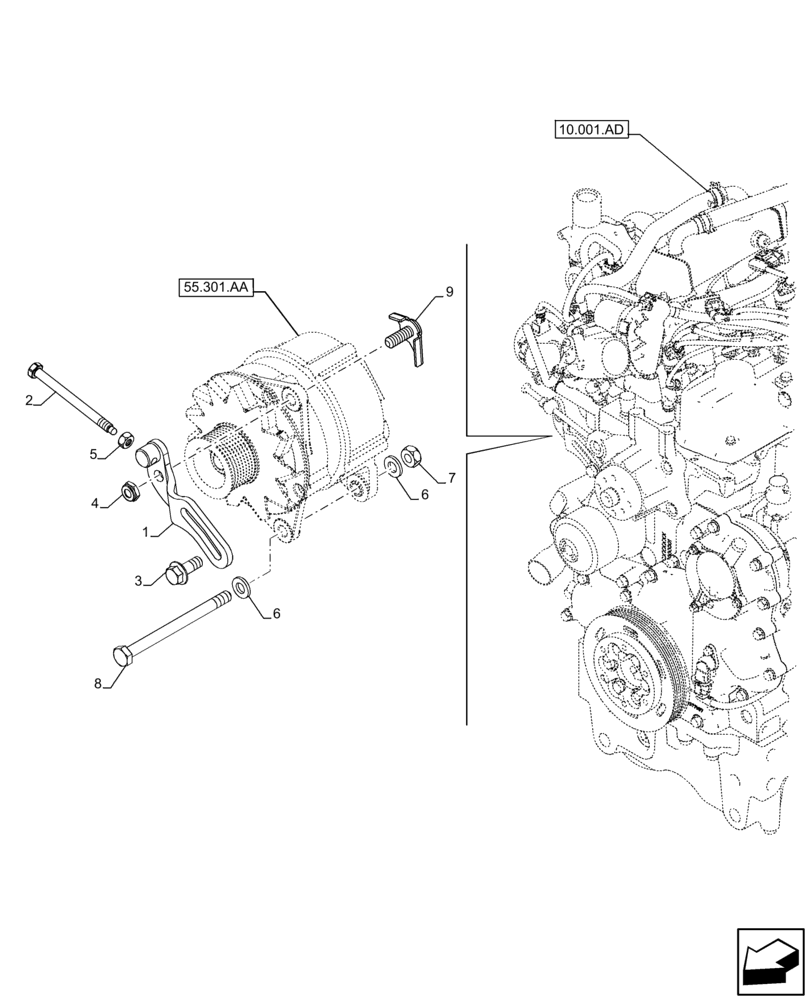
Запчасти Case IH FARMALL 75C (55.301.AB) - VAR - 390321, 391013 - ALTERNATOR, SUPPORT (55) - ELECTRICAL SYSTEMS

Схема запчастей Case IH FARMALL 75C - (55.301.AB) - VAR - 390321, 391013 - ALTERNATOR, SUPPORT (55) - ELECTRICAL SYSTEMS
6
3
6
1
8
2
55.301.aa
4
5
9
10.001.ad
7
FIT
1:1
100%

Артикул

Название

Примечание

Количество

1

47371513

BELT TENSIONER

1шт.

2

47371514

ADJUSTMENT SCREW,Hex, M8 x 1.25 x 100mm

1шт.

3

16587124

FLANGE BOLT,Hex, M10 x 25mm, Cl 8.8, Full Thd

M10 x 25

2шт.

4

47474782

NUT,Hex, M10 x 1.25

M10 x 1.25

1шт.

5

16100821

NUT,M8, Cl 10

1шт.

6

11198374

BELLEVILLE WASHER,M10 Bolt Size x 20mm OD x 2.6mm Thk

M10.5 x 20 x 2.6 x 3.15

1шт.

7

14059421

FLANGE NUT,Hex, M10 x 1.25, Cl. 10

M10 x 1.25

1шт.

8

15972421

SCREW,Hex, M10 x 1.25 x 130mm, Cl 8.8

1шт.

9

84569202

BRACKET

1шт.

Выбрано товаров: 9