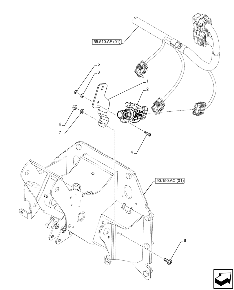
Запчасти Case IH FARMALL 75C (55.405.CW[01]) - VAR - 335677, 335694, 335695, 335696, 744580 - BRAKE, SWITCH, 4WD (55) - ELECTRICAL SYSTEMS

Схема запчастей Case IH FARMALL 75C - (55.405.CW[01]) - VAR - 335677, 335694, 335695, 335696, 744580 - BRAKE, SWITCH, 4WD (55) - ELECTRICAL SYSTEMS
2
8
3
55.510.af (01)
5
6
7
4
90.150.ac (01)
1
FIT
1:1
100%

Артикул

Название

Примечание

Количество

1

84219482

BRACKET

1шт.

2

87484878

LIMIT SWITCH

Brake Light

1шт.

3

10519201

WASHER,4.3mm ID x 9mm OD x 0.8mm Thk

2шт.

4

13272214

SCREW,Pozidriv Pan Hd, M4 x 16mm, Cl 5.8, Full Thd

2шт.

5

10794011

NUT,M4, Cl 8

2шт.

6

15896214

NUT,M6, Cl 8

2шт.

7

10519401

WASHER,6.4mm ID x 11.95mm OD x 1.6mm Thk

2шт.

8

13276211

SCREW,Pozidriv Pan Hd, M6 x 16mm, Cl 5.8, Full Thd

2шт.

Выбрано товаров: 8