Запчасти Case IH FARMALL 75C (90.118.CC) - VAR - 334187, 334190, 392315 - PLATFORM, SUPPORT, W/O CAB (90) - PLATFORM, CAB, BODYWORK AND DECALS

Схема запчастей Case IH FARMALL 75C - (90.118.CC) - VAR - 334187, 334190, 392315 - PLATFORM, SUPPORT, W/O CAB (90) - PLATFORM, CAB, BODYWORK AND DECALS
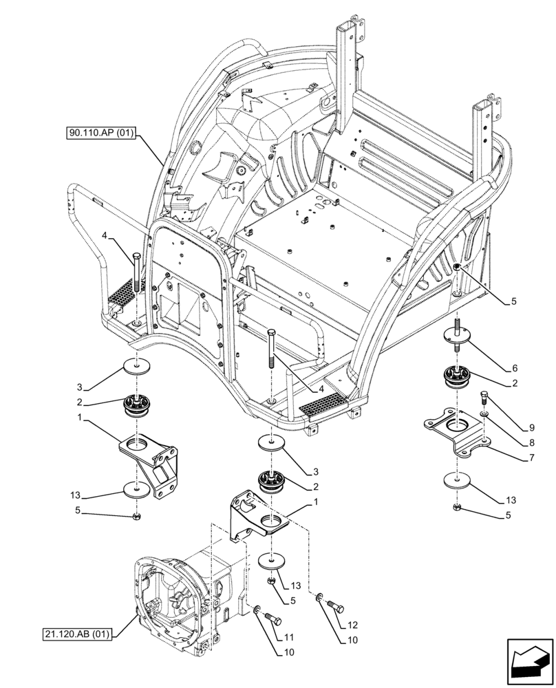
21.120.ab (01)
13
12
5
7
2
8
5
13
3
6
4
3
2
90.110.ap (01)
5
2
13
4
11
1
10
9
1
10
5
FIT
1:1
100%

Артикул

Название

Примечание

Количество

1

84357064

SUPPORT

Platform, Front

2шт.

2

83983548

ISOLATOR,120mm OD x 64mm L

4шт.

3

84421169

SPACER,21mm ID x 120mm OD x 14.7mm L

120mm OD x 21mm ID x 14.7mm Thk

2шт.

4

15990931

BOLT,Hex, M20 x 1.5 x 190, 10.9

2шт.

5

86015195

NUT,M20 x 1.5, Cl 10

6шт.

6

84355204

SPACER

2шт.

7

84261756

SUPPORT

Platform, Rear

2шт.

8

11191679

BELLEVILLE WASHER,M18 Bolt Size x 36mm OD x 4.2mm Thk

8шт.

9

15984334

BOLT,Hex, M18 x 1.5 x 50mm, Cl 10.9, Full Thd

8шт.

10

11191774

BELLEVILLE WASHER,M20 Bolt Size x 38mm OD x 4.6mm Thk

8шт.

11

11125131

BOLT,Hex, M20 x 70, 10.9

4шт.

12

15224034

BOLT,Hex, M20 x 65mm, Cl 10.9, Full Thd

4шт.

13

87302042

SPACER,21mm ID x 120mm OD x 8.7mm L

120mm OD x 21mm ID x 8.7mm Thk

4шт.

Выбрано товаров: 13