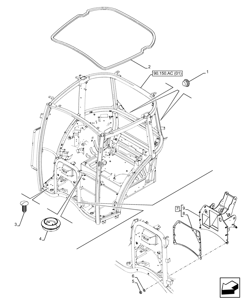
Запчасти Case IH FARMALL 75C (90.150.AC[02]) - VAR - 334183, 334211, 391606, 743496, 743573, 744588 - CAB FRAME, SPARK ARRESTER (90) - PLATFORM, CAB, BODYWORK AND DECALS

Схема запчастей Case IH FARMALL 75C - (90.150.AC[02]) - VAR - 334183, 334211, 391606, 743496, 743573, 744588 - CAB FRAME, SPARK ARRESTER (90) - PLATFORM, CAB, BODYWORK AND DECALS
9
8
1
6
2
90.150.ac (01)
5
3
4
7
FIT
1:1
100%

Артикул

Название

Примечание

Количество

1

47394941

PLUG

2шт.

2

47411372

RUBBER SEAL,30mm W x 4530mm L x 20mm Thk

1шт.

3

81870039

FASTENER,M8 x 1.5 x 22mm

4шт.

4

81862738

PLUG,M38 x 28 x 5mm

1шт.

5

12164721

NUT,M10 x 1.25, Cl 10

8шт.

6

140028

WASHER,10.2mm ID x 18.1mm OD x 2.2mm Thk

8шт.

7

47580766

SPARK ARRESTER

ASSY, Incl 8, 9

1шт.

8

84265757

RUBBER SEAL,3mm Thk

1шт.

9

NSS

NOT SOLD SEPARAT

Support, Incl in 7

1шт.

Выбрано товаров: 9