Запчасти Case IH FARMALL 75C (90.160.AO[01]) - VAR - 334183, 334211, 391606, 743496, 743573, 744588 - CAB INTERIOR TRIM, CONSOLE, FRONT (90) - PLATFORM, CAB, BODYWORK AND DECALS

Схема запчастей Case IH FARMALL 75C - (90.160.AO[01]) - VAR - 334183, 334211, 391606, 743496, 743573, 744588 - CAB INTERIOR TRIM, CONSOLE, FRONT (90) - PLATFORM, CAB, BODYWORK AND DECALS
9
5
4
2
1
8
6
90.150.ac (01)
9
1
7
4
4
1
3
90.160.ao (02)
FIT
1:1
100%

Артикул

Название

Примечание

Количество

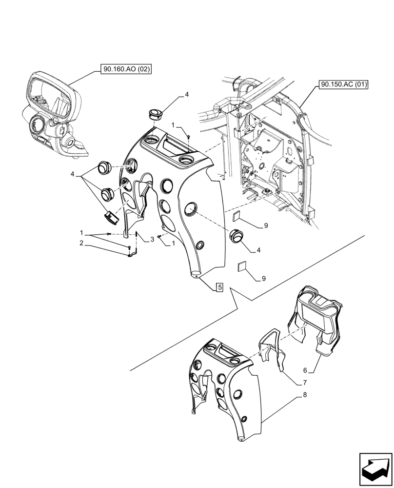
1

87682398

SCREW,Torx, Round HD, M6 x 16mm, Cl 10.9

8шт.

2

84336087

BRACKET

2шт.

3

14371774

SPRING NUT,M6, U, 12mm long

2шт.

4

82022331

VENT

10шт.

5

84312012

INSTRUMENT PANEL

ASSY, Incl 6 - 8

1шт.

6

NSS

NOT SOLD SEPARAT

Conveyor, Incl in 5

1шт.

7

NSS

NOT SOLD SEPARAT

Deflector, Incl in 5

1шт.

8

NSS

NOT SOLD SEPARAT

Console, Incl in 5

1шт.

9

84285196

FASTENER,25mm x 50mm x 3.77mm Thk

26mm x 26mm x 3.77mm

8шт.

Выбрано товаров: 9