Запчасти Case IH FARMALL 85C (1.82.7/12[04]) - 4 REAR REMOTE VALVES FOR MDC W/HYDRAULIC DIVIDER - PIPES (VAR.330166) (07) - HYDRAULIC SYSTEM

Схема запчастей Case IH FARMALL 85C - (1.82.7/12[04]) - 4 REAR REMOTE VALVES FOR MDC W/HYDRAULIC DIVIDER - PIPES (VAR.330166) (07) - HYDRAULIC SYSTEM
2
5
4
5
5
6
7
8
6
11
3
2
2
1
2
12
5
10
2
pag. 3
9
home
pag. 1
FIT
1:1
100%

Артикул

Название

Примечание

Количество

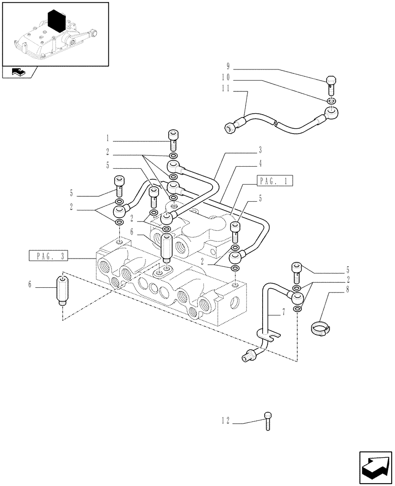
1

5179757

BANJO BOLT

1шт.

2

10260060

SEALING WASHER,8.2mm ID x 14mm OD x 1mm Thk

1шт.

3

5179545

RIGID TUBE

1шт.

4

5175115

RIGID TUBE

1шт.

5

5175070

BANJO BOLT,M8 x 1.25 x 24mm

4шт.

6

5179506

PROP,M8 x 1.25

M8

2шт.

7

47131636

RIGID TUBE

Rear Pilot

1шт.

8

13000490

HOSE CLAMP,20mm - 32mm, Worm Gear

D=20-30

1шт.

9

10185011

BANJO BOLT,M12 x 1.25 x 23mm

2шт.

10

2854292

SEALING WASHER,12mm ID x 17mm OD x 1.5mm Thk

SEAL WASHER 12x18

2шт.

11

47133401

FLEXIBLE HOSE,6mm ID x 1110mm L

1110MM

1шт.

Front Pilot Hose

1шт.

12

16043324

BOLT,Hex, M8 x 1.25 x 18mm, Cl 8.8, Full Thd

1шт.

Выбрано товаров: 13