Запчасти Case IH FARMALL 85C (18.100.AQ[03]) - VAR - 743565, 743566, 743594 - PTO CLUTCH, SUPPORT, CAB (PTO 540, 540/540E, 540/1000 RPM, SHUTTLE) (18) - CLUTCH

Схема запчастей Case IH FARMALL 85C - (18.100.AQ[03]) - VAR - 743565, 743566, 743594 - PTO CLUTCH, SUPPORT, CAB (PTO 540, 540/540E, 540/1000 RPM, SHUTTLE) (18) - CLUTCH
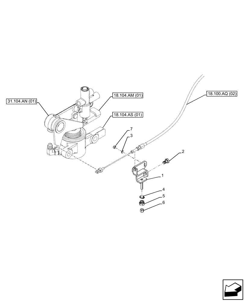
7
18.100.aq (02)
3
31.104.an (01)
6
18.104.as (01)
5
4
1
2
18.104.am (01)
FIT
1:1
100%

Артикул

Название

Примечание

Количество

1

87481816

BRACKET

1шт.

2

16043224

BOLT,Hex, M8 x 16mm, Cl 8.8

1шт.

3

10519201

WASHER,4.3mm ID x 9mm OD x 0.8mm Thk

2шт.

4

11066074

CIRCLIP,M12

1шт.

5

87481953

SLEEVE,M6

1шт.

6

12574221

NUT,M6 x 1, Cl 10

1шт.

7

12574021

NUT,M4 x .7, Cl 10

2шт.

Выбрано товаров: 7