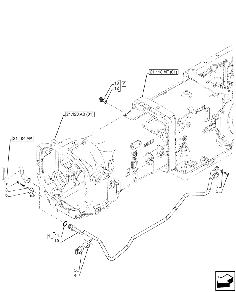
Запчасти Case IH FARMALL 85C (21.104.AD[01]) - VAR - 330581, 390328, 743559 - LUBRICATION LINE, W/ MECHANICAL ENGAGEMENT, W/O CAB (21) - TRANSMISSION

Схема запчастей Case IH FARMALL 85C - (21.104.AD[01]) - VAR - 330581, 390328, 743559 - LUBRICATION LINE, W/ MECHANICAL ENGAGEMENT, W/O CAB (21) - TRANSMISSION
6
8
12
1
10
11
4
21.118.af (01)
3
13
9
21.104.ap
5
2
7
21.120.ab (01)
FIT
1:1
100%

Артикул

Название

Примечание

Количество

1

47374103

TUBE

Lubrication, ASSY, Incl 10, 11

1шт.

2

14306324

HEX SOC SCREW,M8 x 1.25 x 20mm, Cl 8.8, Full Thd

1шт.

3

14496531

WASHER,8.4mm ID x 17mm OD x 1.6mm Thk

1шт.

4

4959735

SPACER,18mm ID x 25mm OD x 30mm L

25 x 30

1шт.

5

13000690

HOSE CLAMP,32mm - 50mm, Worm Gear

1шт.

6

84428662

BLOCK,20.4mm

1 x 20

1шт.

7

120056

BOLT,M6 x 1.0 x 54.15mm, Cl 8.8

ASSY, Incl 12, 13

1шт.

8

10519404

WASHER,6.4mm ID x 11.95mm OD x 1.6mm Thk

1шт.

9

86981620

PLUG,M16 x 1.5, ORB

1шт.

10

NSS

NOT SOLD SEPARAT

Pipe, Incl in 1

1шт.

11

9992069

O-RING,0.07" Thk x 0.614" ID, -16, Cl 6, 90 Duro

1шт.

12

86598100

O-RING,2.2mm Thk x 13.3mm ID, Cl 6, 90 Duro

1шт.

13

NSS

NOT SOLD SEPARAT

Plug, Incl in 9

1шт.

Выбрано товаров: 13