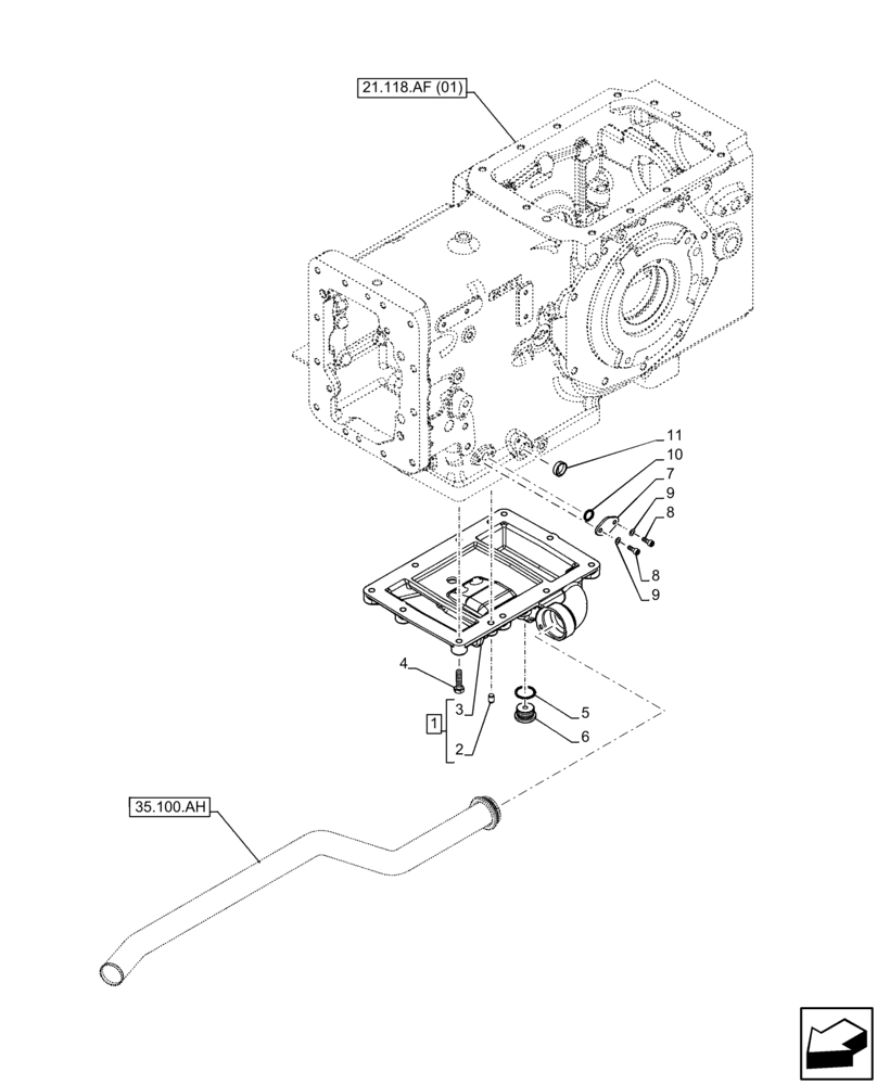
Запчасти Case IH FARMALL 85C (21.200.AA[02]) - VAR - 330581 - DROP BOX, CAB (21) - TRANSMISSION

Схема запчастей Case IH FARMALL 85C - (21.200.AA[02]) - VAR - 330581 - DROP BOX, CAB (21) - TRANSMISSION
8
11
2
4
1
3
35.100.ah
7
6
9
8
5
21.118.af (01)
9
10
FIT
1:1
100%

Артикул

Название

Примечание

Количество

1

84329970

HOUSING

ASSY, Incl 2, 3

1шт.

2

10839710

DOWEL,M10 x 15.00mm

2шт.

3

NSS

NOT SOLD SEPARAT

Cover, Incl in 1

1шт.

4

11307031

BOLT,Hex, M10 x 1.25 x 40mm, Cl 10.9

10шт.

5

14438285

O-RING,29.5mm ID x 3.0mm

1шт.

6

87687750

MAGNETIC PLUG,Hex, M33 X 2 X 16mm

1шт.

7

84350831

PLATE

1шт.

8

14305224

HEX SOC SCREW,M6 x 16mm, Cl 8.8, Full Thd

2шт.

9

12601279

WAVE WASHER,6.40mm ID x 12mm OD x 0.50mm, 2.60mm H, STL, ZND

2шт.

10

14453480

O-RING,17.17mm ID x 1.78mm

1шт.

11

504344694

PLUG,M25, Tapered

1шт.

Выбрано товаров: 11