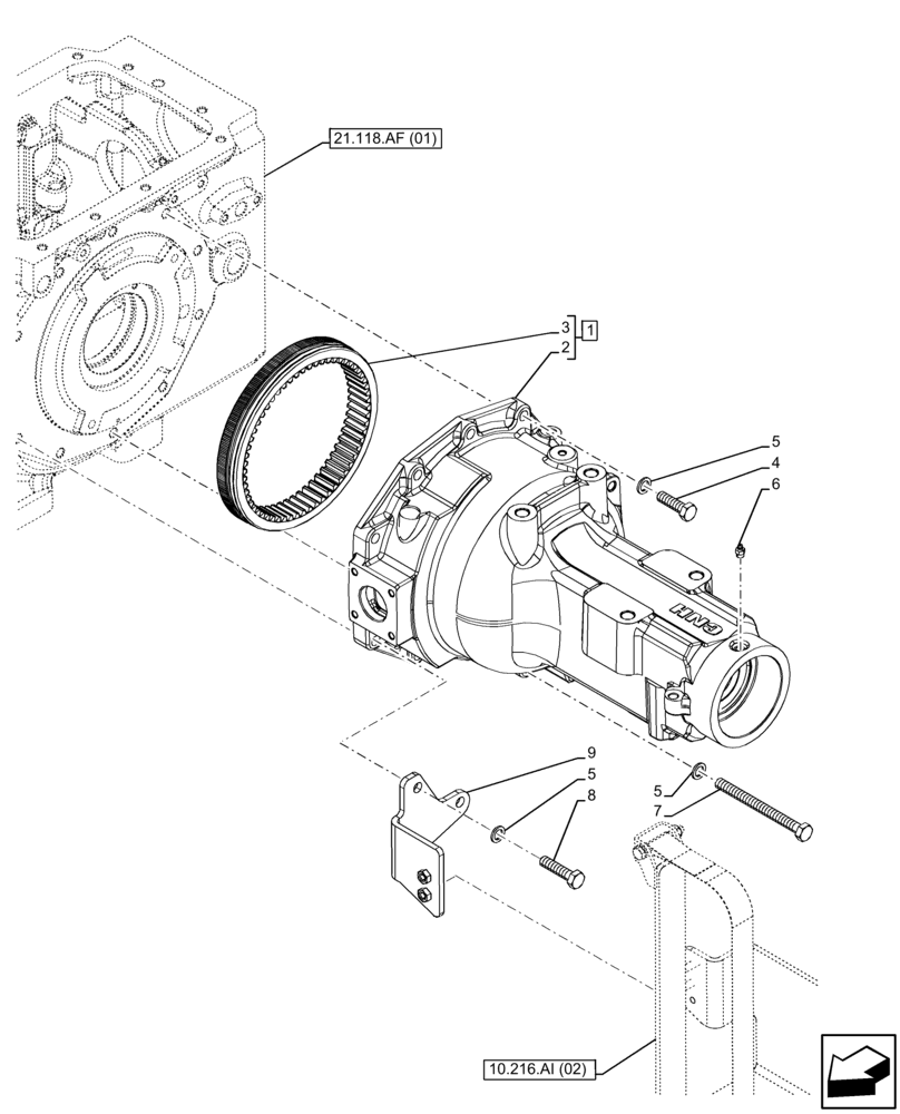
Запчасти Case IH FARMALL 85C (27.120.AI[05]) - VAR - 333411 - FINAL DRIVE HOUSING, LH (27) - REAR AXLE SYSTEM

Схема запчастей Case IH FARMALL 85C - (27.120.AI[05]) - VAR - 333411 - FINAL DRIVE HOUSING, LH (27) - REAR AXLE SYSTEM
10.216.ai (02)
5
8
3
9
7
1
2
5
4
6
5
21.118.af (01)
FIT
1:1
100%

Артикул

Название

Примечание

Количество

1

47368388

AXLE HOUSING

ASSY, Incl 2, 3

1шт.

2

NSS

NOT SOLD SEPARAT

Body, Incl in 1

1шт.

3

47362014

GEAR,60T

1шт.

4

15860121

BOLT,Hex, M14 x 1.5 x 50mm, Cl 8.8

6шт.

5

87680388

WASHER,15mm ID x 23.4mm OD x 2.6mm Thk

10шт.

6

13407211

LUBE NIPPLE,M10 x 1

18mm

1шт.

7

15978721

BOLT,Hex, M14 x 1.5 x 160mm, Cl 8.8

2шт.

8

15977531

BOLT,Hex, M14 x 1.5 x 60mm, Cl 10.9

M14 x 1.5 x 60 8.8 DAC DIN

2шт.

9

47516328

PLATE

1шт.

Выбрано товаров: 0