Запчасти Case IH FARMALL 85C (90.150.AC[02]) - VAR - 334180, 334183, 334211, 391606, 743496, 743573, 744588 - CAB FRAME, SPARK ARRESTER (90) - PLATFORM, CAB, BODYWORK AND DECALS

Схема запчастей Case IH FARMALL 85C - (90.150.AC[02]) - VAR - 334180, 334183, 334211, 391606, 743496, 743573, 744588 - CAB FRAME, SPARK ARRESTER (90) - PLATFORM, CAB, BODYWORK AND DECALS
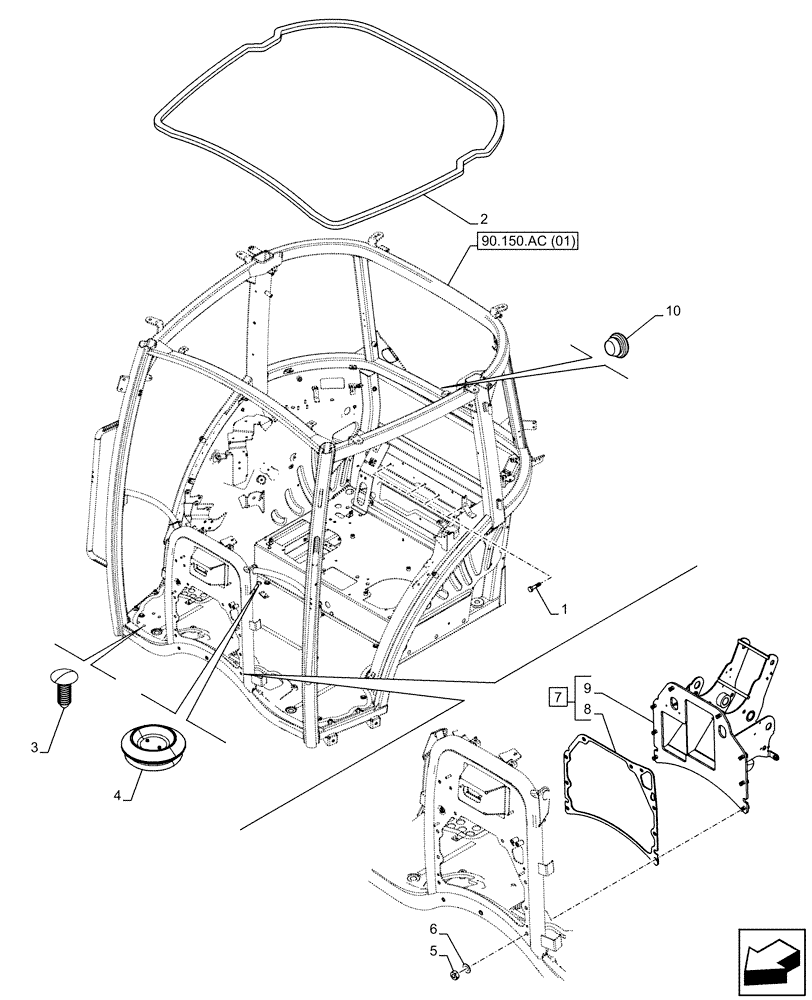
90.150.ac (01)
8
1
6
9
5
3
7
10
2
4
FIT
1:1
100%

Артикул

Название

Примечание

Количество

1

86625213

HEX SOC SCREW,M5 x 12mm, Cl 8.8

7шт.

2

47411372

RUBBER SEAL,30mm W x 4530mm L x 20mm Thk

1шт.

3

81870039

FASTENER,M8 x 1.5 x 22mm

4шт.

4

81862738

PLUG,M38 x 28 x 5mm

1шт.

5

12164721

NUT,M10 x 1.25, Cl 10

8шт.

6

12601470

LOCK WASHER,B10 Wave Spring, 0.50mm ID x 21mm OD x 1mm, HDN

8шт.

7

47580769

SUPPORT

ASSY, Incl 8, 9

1шт.

8

84535896

GASKET,3mm Thk

1шт.

9

NSS

NOT SOLD SEPARAT

Support, Incl in 7

1шт.

10

47394941

PLUG

2шт.

Выбрано товаров: 10