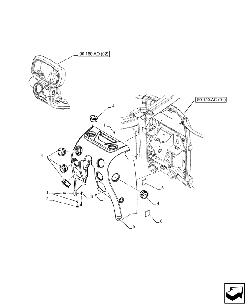
Запчасти Case IH FARMALL 85C (90.160.AO[01]) - VAR - 334180, 334183, 334211, 391606, 743496, 743573, 744588 - CAB INTERIOR TRIM, CONSOLE, FRONT (90) - PLATFORM, CAB, BODYWORK AND DECALS

Схема запчастей Case IH FARMALL 85C - (90.160.AO[01]) - VAR - 334180, 334183, 334211, 391606, 743496, 743573, 744588 - CAB INTERIOR TRIM, CONSOLE, FRONT (90) - PLATFORM, CAB, BODYWORK AND DECALS
1
1
4
3
1
90.150.ac (01)
4
6
5
2
6
90.160.ao (02)
4
FIT
1:1
100%

Артикул

Название

Примечание

Количество

1

87682398

SCREW,Torx, Round HD, M6 x 16mm, Cl 10.9

8шт.

2

84336087

BRACKET

2шт.

3

14371774

SPRING NUT,M6, U, 12mm long

2шт.

4

82022331

VENT

10шт.

5

84312012

INSTRUMENT PANEL

1шт.

6

84285196

FASTENER,25mm x 50mm x 3.77mm Thk

26mm x 26mm x 3.77mm

8шт.

Выбрано товаров: 6