Запчасти Case IH FARMALL 85C (90.160.AO[01]) - VAR - 334179, 334180, 334183, 334185, 334211, 336606, 391606, 743496, 743573, 744588 - INSTRUMENT PANEL, W/ CAB (90) - PLATFORM, CAB, BODYWORK AND DECALS

Схема запчастей Case IH FARMALL 85C - (90.160.AO[01]) - VAR - 334179, 334180, 334183, 334185, 334211, 336606, 391606, 743496, 743573, 744588 - INSTRUMENT PANEL, W/ CAB (90) - PLATFORM, CAB, BODYWORK AND DECALS
2
4
1
4
90.150.ac (01)
home
1
1
5
4
6
8
7
90.160.ao (02)
1
3
FIT
1:1
100%

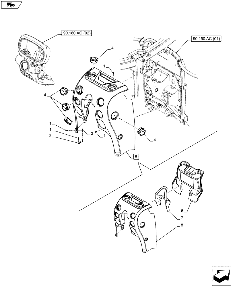
Артикул

Название

Примечание

Количество

1

87682398

SCREW,Torx, Round HD, M6 x 16mm, Cl 10.9

8шт.

2

84336087

BRACKET

2шт.

3

14371774

SPRING NUT,M6, U, 12mm long

2шт.

4

82022331

VENT

10шт.

5

84312012

INSTRUMENT PANEL

ASSY, Incl 6 - 8

1шт.

6

84314081

CONVEYOR

1шт.

7

84314071

DEFLECTOR

1шт.

8

NSS

NOT SOLD SEPARAT

Console, Incl in 5

1шт.

Выбрано товаров: 8