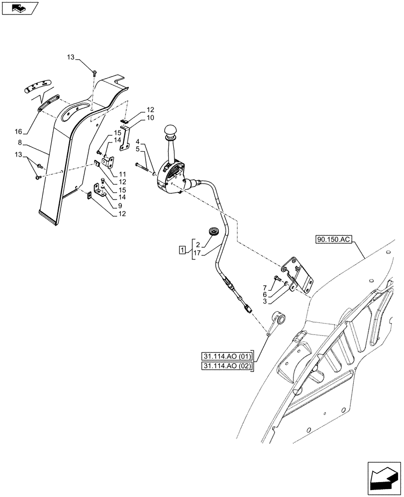
Запчасти Case IH FARMALL 85C (31.101.AC[04]) - VAR - 743519, 743566 - PTO, SPEED CHANGE LEVER (31) - IMPLEMENT POWER TAKE OFF

Схема запчастей Case IH FARMALL 85C - (31.101.AC[04]) - VAR - 743519, 743566 - PTO, SPEED CHANGE LEVER (31) - IMPLEMENT POWER TAKE OFF
11
8
14
6
31.114.ao (01)
15
17
14
1
5
9
2
90.150.ac
13
15
12
12
home
16
10
12
31.114.ao (02)
3
4
13
7
FIT
1:1
100%

Артикул

Название

Примечание

Количество

1

47385550

CONTROL

ASSY, Incl 2, 17

1шт.

2

84325372

GROMMET,9mm ID x 30mm OD x 9mm L

1шт.

3

84410525

BRACKET

1шт.

4

14499301

WASHER,M6 x 12.00mm OD x 1.60mm Overwrite

3шт.

5

14304824

HEX SOC SCREW,M6 x 55mm, Cl 8.8

3шт.

6

84188434

WASHER,8.4mm ID x 16mm OD x 1.6mm Thk

D= 8.4 x 16 x 1.6 mm

3шт.

7

86980379

BOLT,Hex, M8 x 1.25 x 20mm, Cl 8.8

M8 x 20

3шт.

8

84412738

LINING

Wheat

1шт.

9

84412124

BRACKET

3шт.

10

84412049

BRACKET

1шт.

11

84412811

BRACKET

1шт.

12

14371774

SPRING NUT,M6, U, 12mm long

5шт.

13

87682398

SCREW,Torx, Round HD, M6 x 16mm, Cl 10.9

5шт.

14

11197774

BELLEVILLE WASHER,M6 Bolt Size x 12mm OD x 1.2mm Thk

10шт.

15

10902124

SCREW,Hex, M6 x 14mm, Cl 8.8

10шт.

16

84395007

DECAL

1шт.

17

NSS

NOT SOLD SEPARAT

Control, Incl in 1

1шт.

Выбрано товаров: 17