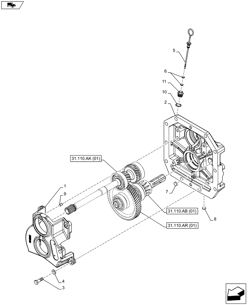
Запчасти Case IH FARMALL 85C (31.110.AI[01]) - VAR - 743565 - PTO 540 RPM, MECHANICAL, CASING, DIPSTICK, W/O CAB (31) - IMPLEMENT POWER TAKE OFF

Схема запчастей Case IH FARMALL 85C - (31.110.AI[01]) - VAR - 743565 - PTO 540 RPM, MECHANICAL, CASING, DIPSTICK, W/O CAB (31) - IMPLEMENT POWER TAKE OFF
2
31.110.ar (01)
11
7
2
home
8
1
3
31110ab (01)
4
10
9
31.110.ak (01)
5
31.110.ab (01)
6
3
31110ar (01)
5
8
6
4
11
7
9
10
31110ak (01)
1
FIT
1:1
100%

Артикул

Название

Примечание

Количество

1

87307208

SUPPORT

1шт.

2

87307210

HOUSING

1шт.

3

15540621

SCREW,Hex, M12 x 1.25 x 40mm, Cl 8.8, Full Thd

4шт.

4

11190779

BELLEVILLE WASHER,M12 Bolt Size x 24mm OD x 2.8mm Thk

D= 13 x 24 x 2.8 x 3.3 mm

4шт.

5

5169720

DIPSTICK,207mm L

ASSY

1шт.

6

14452880

O-RING,0.07" Thk x 0.301" ID, -11, Cl 5, 75 Duro

2шт.

7

14328601

PLUG,M18, Tapered

1шт.

8

14328501

PLUG,M16, Tapered

1шт.

9

10839710

DOWEL,M10 x 15.00mm

2шт.

10

10263460

SEAL,22.3mm ID x 28mm OD x 1.5mm Thk

1шт.

11

5169718

PLUG,M22 x 1.5

1шт.

Выбрано товаров: 11