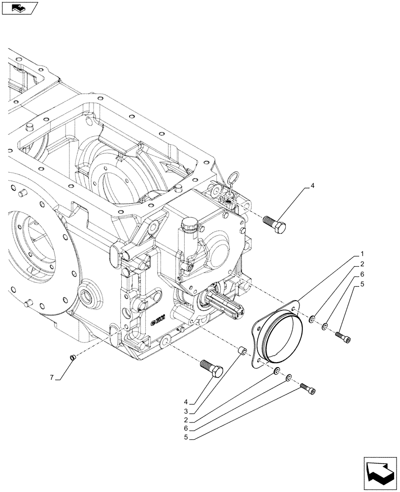
Запчасти Case IH FARMALL 85C (31.114.AH[09]) - VAR - 743594 - PTO 540/1000 RPM, HYDRAULIC, CASING, SHROUD (31) - IMPLEMENT POWER TAKE OFF

Схема запчастей Case IH FARMALL 85C - (31.114.AH[09]) - VAR - 743594 - PTO 540/1000 RPM, HYDRAULIC, CASING, SHROUD (31) - IMPLEMENT POWER TAKE OFF
3
1
home
6
5
2
5
7
4
6
2
4
FIT
1:1
100%

Артикул

Название

Примечание

Количество

1

5155332

SEAL PROTECTION,115mm ID x 122mm OD x 29mm Thk

1шт.

2

10730324

WASHER,8.15mm ID x 17mm OD x 2mm Thk

4шт.

3

5166305

SPACER

2шт.

4

11391524

SCREW,Hex, M16 x 1.5 x 45mm, Cl 8.8, Full Thd

4шт.

5

14306524

HEX SOC SCREW,M8 x 1.25 x 30mm, Cl 8.8, Full Thd

4шт.

6

11193874

BELLEVILLE WASHER,M8 Bolt Size x 16mm OD x 1.4mm Thk

4шт.

7

5196779

PLUG,Cap locking hole

2шт.

Выбрано товаров: 0