Запчасти Case IH FARMALL 85C (31.116.AB[01]) - VAR - 743768 - PTO 540/540E/1000 RPM, HIDRAULIC, HIDRAULIC, DRIVEN SHAFT (31) - IMPLEMENT POWER TAKE OFF

Схема запчастей Case IH FARMALL 85C - (31.116.AB[01]) - VAR - 743768 - PTO 540/540E/1000 RPM, HIDRAULIC, HIDRAULIC, DRIVEN SHAFT (31) - IMPLEMENT POWER TAKE OFF
31.
1
7
16.af (01)
3
1
16.ak (02)
1
16.a
1
9
16.ag (01)
31.
31.
8
4
l (01)
5
31.
1
2
4
16.ag (01)
home
6
16.ak (02)
10
7
1
31.
31.
1
FIT
1:1
100%

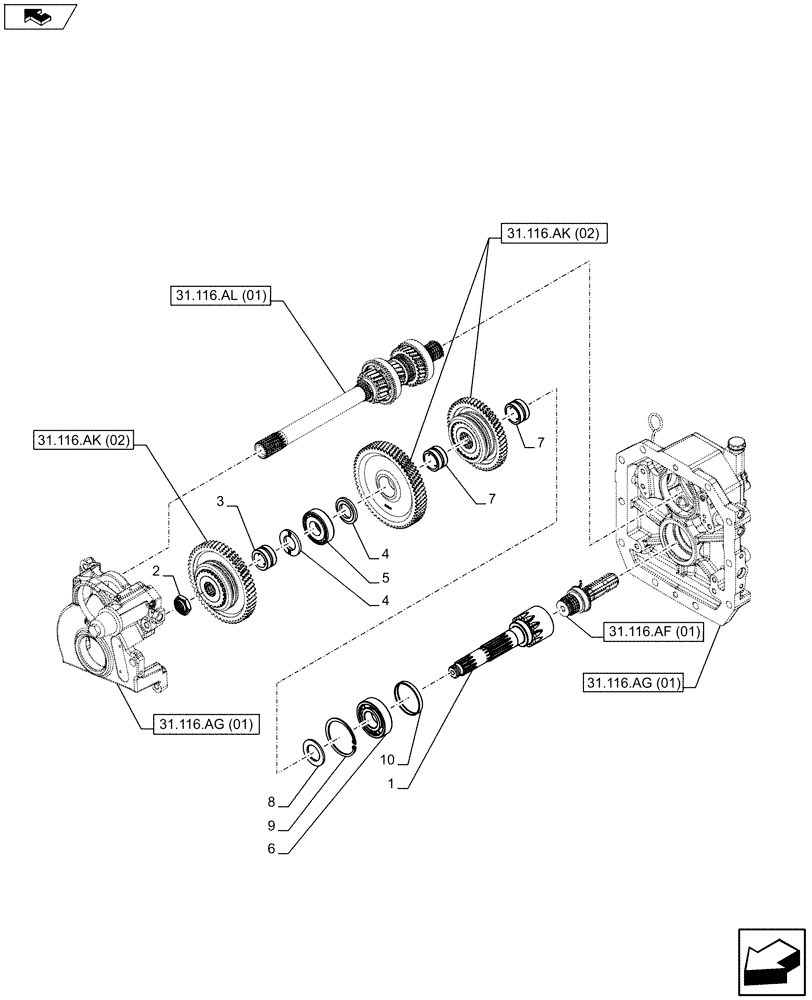
Артикул

Название

Примечание

Количество

1

5198354

SHAFT

Driven

1шт.

2

5100183

LOCK NUT,Hex, M328 x 1.5, Cl 8.8

1шт.

3

5162787

RING RACE

1шт.

4

5162811

THRUST WASHER,35.1mm ID x 62mm OD x 6.5mm Thk

2шт.

5

20045200

BALL BEARING,35mm ID x 80mm OD x 21mm

1шт.

6

20943310

BALL BEARING,40mm ID x 90mm OD x 23mm W

1шт.

7

5101537

BUSHING,39.2mm ID x 50mm OD x 29.04mm L

2шт.

8

5109656

THRUST WASHER,39.25mm ID x 64mm OD x 4mm Thk

1шт.

9

11062476

SNAP RING,M90, Int

1шт.

10

5165976

OIL SEAL,60mm ID x 80mm OD x 10mm Thk

1шт.

Выбрано товаров: 10