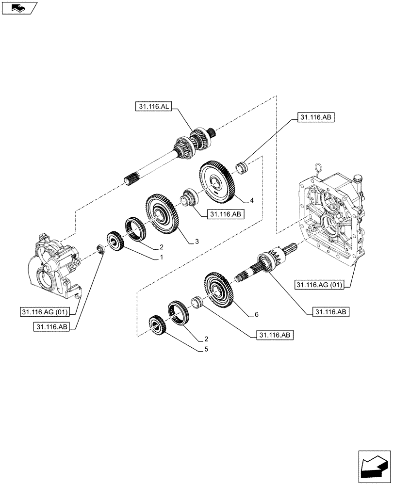
Запчасти Case IH FARMALL 85C (31.116.AK[02]) - VAR - 743768 - PTO 540/540E/1000 RPM, HYDRAULIC, DRIVEN GEAR (31) - IMPLEMENT POWER TAKE OFF

Схема запчастей Case IH FARMALL 85C - (31.116.AK[02]) - VAR - 743768 - PTO 540/540E/1000 RPM, HYDRAULIC, DRIVEN GEAR (31) - IMPLEMENT POWER TAKE OFF
1
home
l
31.
31.
31.
31.
16.ab
16.ab
16.ab
31.
16.a
31.
2
5
2
1
1
16.ag (01)
4
31.
1
1
1
16.ab
6
1
1
16.ab
31.
3
1
16.ag (01)
FIT
1:1
100%

Артикул

Название

Примечание

Количество

1

5162794

GEAR,12T Internal / 24T External

1шт.

2

5129513

SYNCHRONIZER,24T

2шт.

3

47124071

GEAR,54T

Driven

1шт.

4

47124070

GEAR

Driven

1шт.

5

5129512

SLEEVE,24T, 14T

1шт.

6

47124069

GEAR

Driven

1шт.

Выбрано товаров: 6