Запчасти Case IH FARMALL 85C (33.000.00) - SECTION INDEX - BRAKES & CONTROLS (33) - BRAKES & CONTROLS

Схема запчастей Case IH FARMALL 85C - (33.000.00) - SECTION INDEX - BRAKES & CONTROLS (33) - BRAKES & CONTROLS
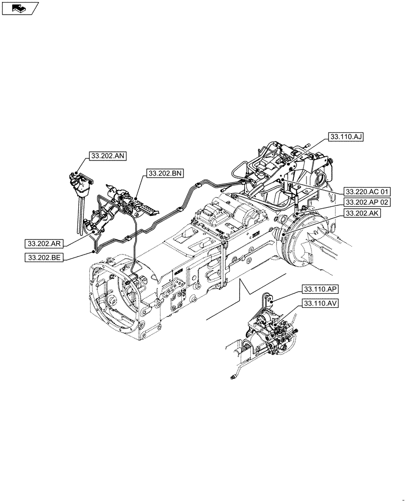
33.202.ak
home
33.202.be
33.202.ap 02
33.110.av
33.110.ap
33.202.bn
33.220.ac 01
33.202.an
33.202.ar
33.110.aj
FIT
1:1
100%