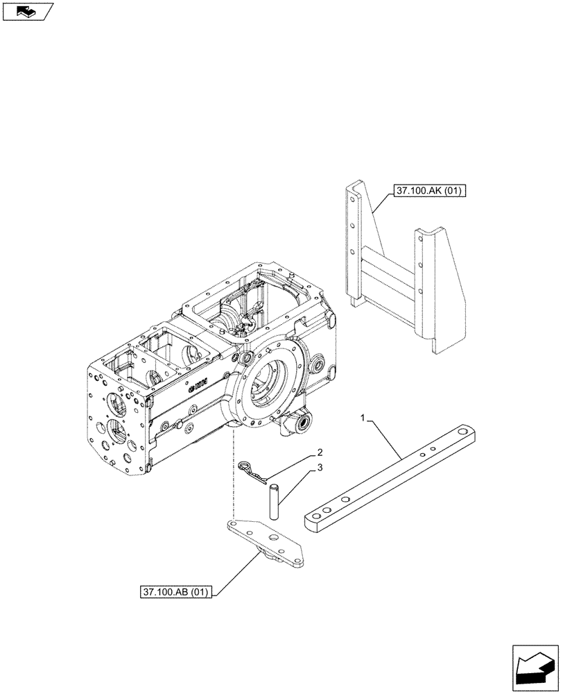
Запчасти Case IH FARMALL 85C (37.100.AA[01]) - VAR - 392905 - DRAWBAR (37) - HITCHES, DRAWBARS & IMPLEMENT COUPLINGS

Схема запчастей Case IH FARMALL 85C - (37.100.AA[01]) - VAR - 392905 - DRAWBAR (37) - HITCHES, DRAWBARS & IMPLEMENT COUPLINGS
1
home
3
37.100.ak (01)
2
37.100.ab (01)
FIT
1:1
100%

Артикул

Название

Примечание

Количество

1

5180877

DRAWBAR,780mm L x 60mm W x 40mm Thk

1шт.

2

82000094

SPRING,40mm OD x 142mm L

1шт.

3

82006933

PIN,28mm OD x 134mm L

1шт.

Выбрано товаров: 3