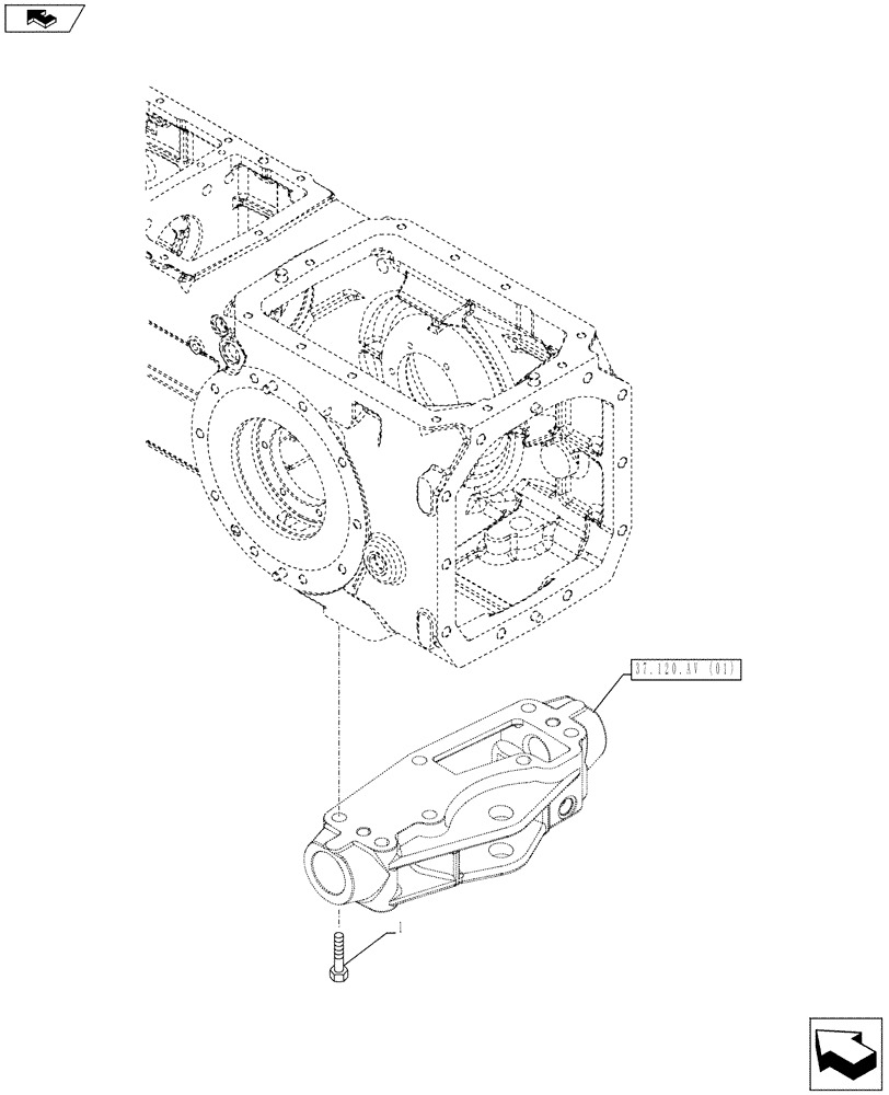
Запчасти Case IH FARMALL 85C (37.100.AF[03]) - VAR - 334202, 334203, 334209, 392905 - TOWING EQUIPMENT, BOLT (37) - HITCHES, DRAWBARS & IMPLEMENT COUPLINGS

Схема запчастей Case IH FARMALL 85C - (37.100.AF[03]) - VAR - 334202, 334203, 334209, 392905 - TOWING EQUIPMENT, BOLT (37) - HITCHES, DRAWBARS & IMPLEMENT COUPLINGS
home
37.120.av (01)
1
FIT
1:1
100%

Артикул

Название

Примечание

Количество

1

15864224

BOLT,Hex, M16 x 1.5 x 115mm, Cl 8.8

3шт.

Выбрано товаров: 1