Запчасти Case IH FARMALL 85C (37.108.AE[01]) - VAR - 332785, 390831 - HYDRAULIC LIFT, CONTROL LEVER (37) - HITCHES, DRAWBARS & IMPLEMENT COUPLINGS

Схема запчастей Case IH FARMALL 85C - (37.108.AE[01]) - VAR - 332785, 390831 - HYDRAULIC LIFT, CONTROL LEVER (37) - HITCHES, DRAWBARS & IMPLEMENT COUPLINGS
3
5
7
4
9
5
13
3
8
2
home
12
3
6
2
37.108.ad (01)
2
10
14
14
4
12
13
3
11
4
37.110.ak (01)
2
37.110.ac (01)
1
4
1
FIT
1:1
100%

Артикул

Название

Примечание

Количество

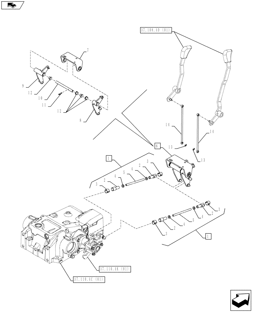
1

47384394

TIE-ROD,8" x 6-3/5"

ASSY, Incl 2 - 5

2шт.

2

10124511

BALL JOINT HEAD,M13 x 45mm L, M8 Thread

2шт.

3

10125574

CLAMP,13mm

2шт.

4

16102311

THIN NUT,Thin, M8 x 1.25, Cl 04

2шт.

5

47401522

TIE-ROD

1шт.

6

47423246

SUPPORT

ASSY, Incl 7 - 12

1шт.

7

47401479

SUPPORT

1шт.

8

47423245

LEVER

1шт.

9

47384385

LEVER

1шт.

10

47401517

CONTROL SHAFT

1шт.

11

14166170

ROLL PIN

1шт.

12

47401492

BUSHING,12mm ID x 14mm OD x 12mm L

4шт.

13

11087674

WASHER,4mm, CST DAC

2шт.

14

47384393

TIE-ROD

2шт.

Выбрано товаров: 14