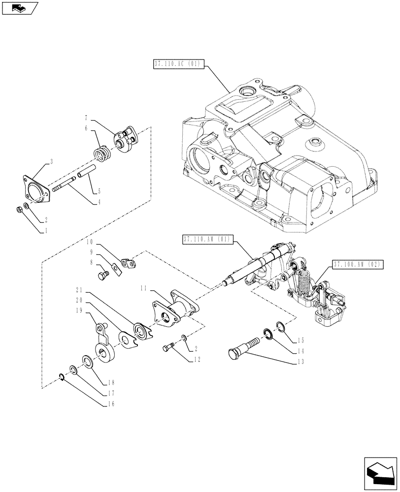
Запчасти Case IH FARMALL 85C (37.110.AK[01]) - VAR - 332785, 390831 - HYDRAULIC LIFT, EXTERNAL CONTROLS (37) - HITCHES, DRAWBARS & IMPLEMENT COUPLINGS

Схема запчастей Case IH FARMALL 85C - (37.110.AK[01]) - VAR - 332785, 390831 - HYDRAULIC LIFT, EXTERNAL CONTROLS (37) - HITCHES, DRAWBARS & IMPLEMENT COUPLINGS
9
20
home
12
2
11
4
16
5
8
21
14
18
6
3
10
13
7
37.110.ac (01)
19
17
1
2
37.100.am (02)
15
37.110.am (01)
FIT
1:1
100%

Артикул

Название

Примечание

Количество

1

16100814

NUT,M8, Cl 8, DAC

3шт.

2

11193874

BELLEVILLE WASHER,M8 Bolt Size x 16mm OD x 1.4mm Thk

6шт.

3

47403470

PLATE

1шт.

4

13544320

STUD

3шт.

5

5117204

SPACER,8.5mm ID x 12mm OD x 51.5mm L

3шт.

6

4952761

SPRING,Compression, 34mm OD x 25.5mm L

1шт.

7

47402134

LEVER

1шт.

8

15970424

SCREW,Hex, M10 x 1.25 x 18mm, Cl 8.8, Full Thd

1шт.

9

14198800

PLATE

1шт.

10

5135220

BRACKET

1шт.

11

5129377

SUPPORT

1шт.

12

16043624

SCREW,Hex, M8 x 1.25 x 25mm, Cl 8.8, Full Thd

3шт.

13

5117155

LEVER & PIN ASSY

1шт.

14

87332142

SEAL,23.5mm ID x 30mm OD x 1.5mm Thk

1шт.

15

10263460

SEAL,22.3mm ID x 28mm OD x 1.5mm Thk

1шт.

16

11066276

SNAP RING,M14, Ext

1шт.

17

12646001

WASHER,14.4mm ID x 24mm OD x 2mm Thk

1шт.

18

5165368

SHIM,22.2mm ID x 35mm OD x 2.5mm Thk

1шт.

19

47402133

LEVER

1шт.

20

5165184

PLATE

1шт.

21

5165246

PLATE

1шт.

Выбрано товаров: 21