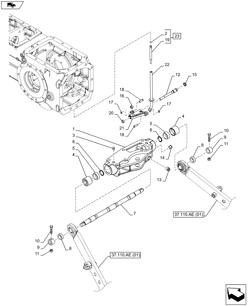
Запчасти Case IH FARMALL 85C (37.120.AV[01]) - VAR - 332785, 390831, 743595, 743596 - TOWING EQUIPMENT (37) - HITCHES, DRAWBARS & IMPLEMENT COUPLINGS

Схема запчастей Case IH FARMALL 85C - (37.120.AV[01]) - VAR - 332785, 390831, 743595, 743596 - TOWING EQUIPMENT (37) - HITCHES, DRAWBARS & IMPLEMENT COUPLINGS
home
19
7
4
18
11
10
20
13
9
23
6
2
9
16
37.110.ae (01)
21
3
15
11
10
8
14
12
18
17
5
6
5
22
17
1
4
8
37.110.ae (01)
FIT
1:1
100%

Артикул

Название

Примечание

Количество

1

5171671

SUPPORT

1шт.

2

20063570

BALL,10.32mm OD

1шт.

3

5119529

DOWEL,15mm OD x 22mm L

2шт.

4

5171675

SPACER,46.98mm ID x 54.05mm OD x 40.5mm L

2шт.

5

5109977

SPHERICAL BEARING,30mm ID x 47mm OD x 22mm W

2шт.

6

47129340

OIL SEAL,28.1mm ID x 42.5mm OD x 13.8mm Thk

2шт.

7

5171674

PIN,30mm OD x 588mm L

1шт.

8

5177788

SPACER,25.5mm ID x 40mm OD x 14mm L

2шт.

9

5116247

RING,24mm ID x 38.4mm OD x 25mm L

2шт.

10

15888724

BOLT,Hex, M10 x 1.25 x 55mm, Cl 8.8

2шт.

11

12574514

LOCK NUT,M10 x 1.25

2шт.

12

5171676

PIN,13.5mm OD x 165.5mm L

1шт.

13

14326211

PLUG,M22 x 1.50, R50, ZND

1шт.

14

5171670

PLUG

1шт.

15

5115996

O-RING,2.62mm Thk x 15.08mm ID, 80 Duro

1шт.

16

5109156

ROLLER,21mm OD x 12mm L

1шт.

17

11065976

CIRCLIP,M10, Ext

2шт.

18

5109172

PIN,10mm OD x 33mm L

2шт.

19

NSS

NOT SOLD SEPARAT

Rod, Incl in 23

1шт.

20

5117691

SPACER,14.1mm ID x 19mm OD x 10mm L

1шт.

21

5171680

LEVER

1шт.

22

5171678

ROD

1шт.

23

5134791

ROD

ASSY, Incl 2, 19

1шт.

Выбрано товаров: 23