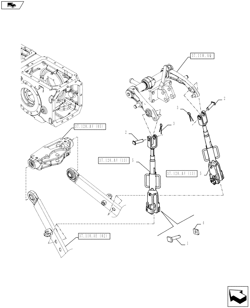
Запчасти Case IH FARMALL 85C (37.120.AV[06]) - VAR - 743598 - TOWING EQUIPMENT (37) - HITCHES, DRAWBARS & IMPLEMENT COUPLINGS

Схема запчастей Case IH FARMALL 85C - (37.120.AV[06]) - VAR - 743598 - TOWING EQUIPMENT (37) - HITCHES, DRAWBARS & IMPLEMENT COUPLINGS
2
5
10.ae (02)
37.120.
3
1
5
37.
1
2
a
37.120.
home
v (13)
a
1
37.
37.120.
v (13)
3
v (05)
10.aq
a
4
FIT
1:1
100%

Артикул

Название

Примечание

Количество

1

84424100

PIN,22mm OD x 85mm L

2шт.

2

47126271

PIN,22mm OD x 84mm L

2шт.

3

5112606

COTTER PIN,2.5mm OD x 66.5mm L

2шт.

4

84424101

PLATE

2шт.

5

47391742

LIFTING ROD

ASSY

2шт.

Выбрано товаров: 5