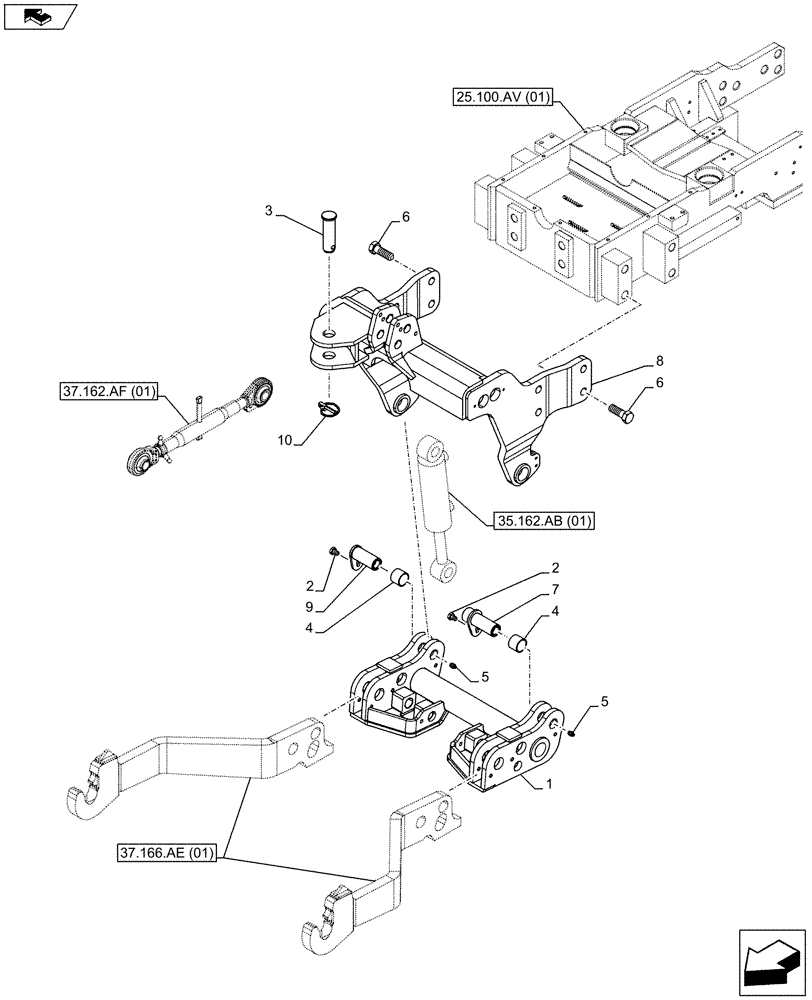
Запчасти Case IH FARMALL 85C (37.162.AE[01]) - VAR - 331789 - 3 POINT HITCH, FRONT, SUPPORT, W/O FRONT PTO (37) - HITCHES, DRAWBARS & IMPLEMENT COUPLINGS

Схема запчастей Case IH FARMALL 85C - (37.162.AE[01]) - VAR - 331789 - 3 POINT HITCH, FRONT, SUPPORT, W/O FRONT PTO (37) - HITCHES, DRAWBARS & IMPLEMENT COUPLINGS
1
37.166.ae (01)
6
5
7
3
4
4
35.162.ab (01)
9
2
2
8
25.100.av (01)
5
37.162.af (01)
10
home
6
FIT
1:1
100%

Артикул

Название

Примечание

Количество

1

47057041

YOKE

ASSY

1шт.

2

11106021

BOLT,Hex, M10 x 1.5 x 20 mm, Cl 8.8, Full Thd

2шт.

3

5184366

PIN

1шт.

4

47057044

BUSHING

2шт.

5

13407211

LUBE NIPPLE,M10 x 1

2шт.

6

11124834

BOLT,Hex, M20 x 55mm, Cl 10.9

8шт.

7

47057185

PIN

1шт.

8

87596344

SUPPORT

1шт.

9

47057046

BOLT

2шт.

10

5166585

LOCK PIN,11mm OD

1шт.

Выбрано товаров: 10