Запчасти Case IH FARMALL 85C (10.000.00[03]) - SECTION INDEX - ENGINE (10) - ENGINE

Схема запчастей Case IH FARMALL 85C - (10.000.00[03]) - SECTION INDEX - ENGINE (10) - ENGINE
home
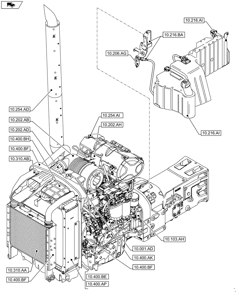
10.254.ad
10.206.ag
10.310.ab
10.310.aa
10.202.ab
10.400.bf
10.400.ak
10.400.ap
10.216.ai
10.001.ad
10.216.ai
10.254.ai
10.400.bf
10.400.bh
10.202.ad
10.202.ah
10.216.ba
10.400.bf
10.103.ah
10.400.be
FIT
1:1
100%