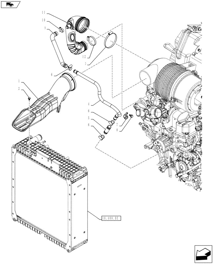
Запчасти Case IH FARMALL 85C (10.202.AD) - VAR - 33020, 390200 - AIR INTAKE LINE (10) - ENGINE

Схема запчастей Case IH FARMALL 85C - (10.202.AD) - VAR - 33020, 390200 - AIR INTAKE LINE (10) - ENGINE
3
10
6
6
8
5
4
6
7
12
11
home
1
10.400.be
2
9
FIT
1:1
100%

Артикул

Название

Примечание

Количество

1

84589282

AIR DUCT

Snorkel

1шт.

2

86050272

BOLT,M6 x 1 x 18.6mm OAL, Cl 8.8, Full Thd

1шт.

3

13001290

HOSE CLAMP,90mm - 110mm, Worm Gear

1шт.

4

84581958

PIPE,18mm OD

1шт.

5

84465712

SLEEVE,18mm ID x 72mm L

Blow-by

1шт.

6

13000390

HOSE CLAMP,16mm - 25mm, Worm Gear

3шт.

7

10450590

CLAMP,18mm, Coat, 9mm Bolt Hole, P Type

1шт.

8

87342187

SCREW,Hex, M8 x 16mm

1шт.

9

84465710

HOSE,16.7mm ID x 288.6mm L

1шт.

10

13127670

PIPE CLAMP,27mm - 24mm

1шт.

11

84235119

INLET MANIFOLD

1шт.

12

13000890

HOSE CLAMP,50mm - 70mm, Worm Gear

1шт.

Выбрано товаров: 12