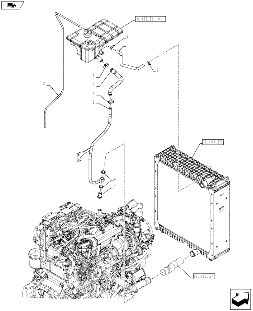
Запчасти Case IH FARMALL 85C (10.400.AK) - VAR - 391013 - EXPANSION TANK, PIPE (10) - ENGINE

Схема запчастей Case IH FARMALL 85C - (10.400.AK) - VAR - 391013 - EXPANSION TANK, PIPE (10) - ENGINE
3
10.400.be
10.400.ap
1
5
9
9
2
7
10.400.bh (01)
6
4
home
8
FIT
1:1
100%

Артикул

Название

Примечание

Количество

1

84426316

FLEXIBLE HOSE,9mm ID

1шт.

2

84333477

TUBE

Return

1шт.

3

84426317

TUBE

Return

1шт.

4

13000390

HOSE CLAMP,16mm - 25mm, Worm Gear

D= 16 x 25 mm

1шт.

5

13000490

HOSE CLAMP,20mm - 32mm, Worm Gear

D= 20 x 32 mm

1шт.

6

5186176

SEALING WASHER,15.80mm ID x 26.92mm OD x 1.50mm, Steel, Zinc

M18

2шт.

7

5170235

BANJO BOLT,M18 x 1.5 x 35mm

1шт.

8

84426318

FLEXIBLE HOSE,7.5mm ID x 1257mm L

1шт.

9

13000190

HOSE CLAMP,M10-16

D= 10 x 16 mm

2шт.

Выбрано товаров: 9