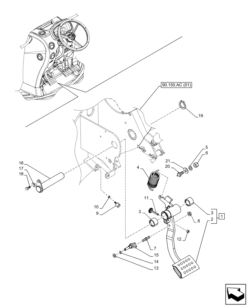
Запчасти Case IH FARMALL 85C (18.100.AF[05]) - VAR - 334177, 390275 - CLUTCH MECHANISM, PEDAL (24X24) (40X40 CREEPER) (HI-LO) (18) - CLUTCH

Схема запчастей Case IH FARMALL 85C - (18.100.AF[05]) - VAR - 334177, 390275 - CLUTCH MECHANISM, PEDAL (24X24) (40X40 CREEPER) (HI-LO) (18) - CLUTCH
17
21
1
2
13
7
90.150.ac (01)
18
16
12
6
8
20
9
11
3
15
10
5
4
14
19
3
FIT
1:1
100%

Артикул

Название

Примечание

Количество

1

84584926

PEDAL

ASSY, Incl 2, 3

1шт.

2

NSS

NOT SOLD SEPARAT

Pedal, Incl in 1

1шт.

3

84394202

NEEDLE BEARING,Needle, 25mm ID x 32mm OD x 20mm W

2шт.

4

84575813

TENSION SPRING,Extension, 40mm OD x 117mm L

1шт.

5

86624176

WASHER,11mm ID x 20mm OD x 2mm Thk

1шт.

6

12574514

LOCK NUT,M10 x 1.25

1шт.

7

84339966

PIN,8mm OD x 40mm L

1шт.

8

825-2408

FLANGE NUT,M8 x 1.25, Flg, Cl 8

1шт.

9

5115768

STOP

1шт.

10

15896414

NUT,M5, Cl 8

1шт.

11

47406709

ADJUSTMENT SCREW,Hex, M6 x 42mm L

1шт.

12

12574211

NUT,M6 x 1, Cl 8

1шт.

13

10519604

WASHER,8.15mm ID x 17mm OD x 2mm Thk

1шт.

14

11087874

CIRCLIP,M6

1шт.

15

47484094

FORK

1шт.

16

84591943

ROD

1шт.

17

12601274

WAVE WASHER,6.40mm ID x 12mm OD x 0.50mm, 2.60mm H, STL, DAC

1шт.

18

10902321

SCREW,Hex, M6 x 18mm, Cl 8.8, Full Thd

1шт.

19

11067371

CIRCLIP,M25

1шт.

20

47439518

PIN,10mm OD x 33mm L

1шт.

21

12646821

WASHER,10.2mm ID x 25mm OD x 2mm Thk

1шт.

Выбрано товаров: 21