Запчасти Case IH FARMALL 85C (37.110.AC[01]) - VAR - 332785, 390831, 390832, 743597 - HYDRAULIC LIFT, MOUNTING PARTS (37) - HITCHES, DRAWBARS & IMPLEMENT COUPLINGS

Схема запчастей Case IH FARMALL 85C - (37.110.AC[01]) - VAR - 332785, 390831, 390832, 743597 - HYDRAULIC LIFT, MOUNTING PARTS (37) - HITCHES, DRAWBARS & IMPLEMENT COUPLINGS
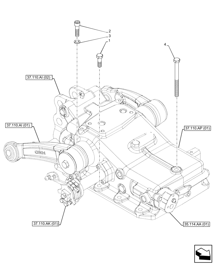
2
37.110.ap (01)
37.110.ai (02)
4
37.110.ai (01)
3
37.110.ak (01)
35.114.aa (01)
1
FIT
1:1
100%

Артикул

Название

Примечание

Количество

1

15540624

BOLT,Hex, M12 x 1.25 x 40mm, Cl 8.8, Full Thd

8шт.

2

14331424

HEX SOC SCREW,M12 x 1.25 x 45mm

M12 x 1.25 x 45

2шт.

3

13507421

WASHER,12.2mm ID x 20mm OD x 2mm Thk

12.2 x 20 x 2mm

2шт.

4

15543434

BOLT,Hex, M12 x 1.25 x 145mm, Cl 10.9

M12 x 1.25 x 145

1шт.

Выбрано товаров: 4