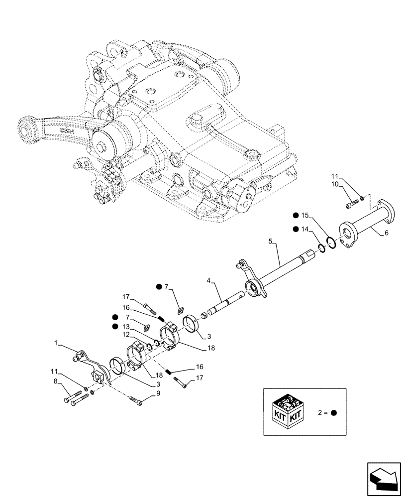
Запчасти Case IH FARMALL 85C (37.110.AK[02]) - VAR - 332785 - HYDRAULIC LIFT, CONTROL LEVER, REAR (37) - HITCHES, DRAWBARS & IMPLEMENT COUPLINGS

Схема запчастей Case IH FARMALL 85C - (37.110.AK[02]) - VAR - 332785 - HYDRAULIC LIFT, CONTROL LEVER, REAR (37) - HITCHES, DRAWBARS & IMPLEMENT COUPLINGS
7
2
6
11
17
17
4
11
15
2
2
7
2
18
16
2
13
5
9
16
18
3
10
3
8
14
2
12
2
1
FIT
1:1
100%

Артикул

Название

Примечание

Количество

1

84263004

TRIP ARM

1шт.

2

84562042

GASKET KIT

KIT, Incl 7, 13 - 15

1шт.

Include also Gaskets in Figure 37.110.AI (07), 37.110.AM (04), 37.110.AQ (04)

1шт.

3

84188558

CLUTCH

2шт.

4

84560174

SHAFT

1шт.

5

84560176

LEVERSHAFT

1шт.

6

84560180

SUPPORT

1шт.

7

84357659

RUBBER SEAL

2шт.

8

16044321

BOLT,M8 x 1.25 x 55mm, Cl 8.8

2шт.

9

86625221

HEX SOC SCREW,M8 x 30mm, Cl 8.8

1шт.

10

86625220

HEX SOC SCREW,M8 x 25mm, Cl 8.8

2шт.

11

87016619

LOCK WASHER,M8

4шт.

12

84188564

SNAP RING

1шт.

13

14456980

O-RING,10.77mm ID x 2.62mm

1шт.

14

14457580

O-RING,0.103" Thk x 0.799" ID, -117, Cl 5, 75 Duro

1шт.

15

14463180

O-RING,0.921" ID x 0.139" Width

1шт.

16

84188566

SPRING

2шт.

17

14305821

HEX SOC SCREW,M6 x 40mm, Cl 8.8

2шт.

18

84188557

HUB

2шт.

Выбрано товаров: 19