Запчасти Case IH FARMALL 85C (55.405.CW[02]) - VAR - 337323, 390328, 743559, 743560, 743561, 744580, 744581, 744990 - BRAKE, JUNCTION (SHUTTLE) 4WD (55) - ELECTRICAL SYSTEMS

Схема запчастей Case IH FARMALL 85C - (55.405.CW[02]) - VAR - 337323, 390328, 743559, 743560, 743561, 744580, 744581, 744990 - BRAKE, JUNCTION (SHUTTLE) 4WD (55) - ELECTRICAL SYSTEMS
6
2
7
90.150.ac (01)
1
55.510.af (01)
3
8
5
4
FIT
1:1
100%

Артикул

Название

Примечание

Количество

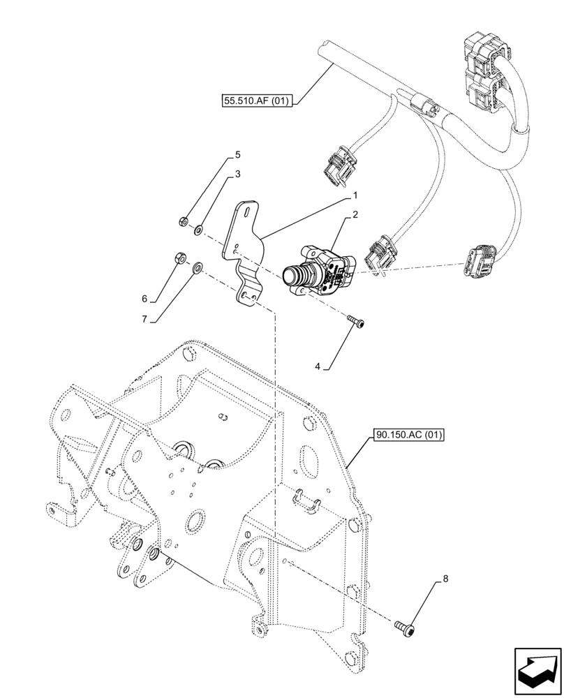
1

84219482

BRACKET

1шт.

2

87484878

LIMIT SWITCH

1шт.

3

10519201

WASHER,4.3mm ID x 9mm OD x 0.8mm Thk

2шт.

4

13272214

SCREW,Pozidriv Pan Hd, M4 x 16mm, Cl 5.8, Full Thd

2шт.

5

10794011

NUT,M4, Cl 8

2шт.

6

15896214

NUT,M6, Cl 8

2шт.

7

10519401

WASHER,6.4mm ID x 11.95mm OD x 1.6mm Thk

2шт.

8

13276211

SCREW,Pozidriv Pan Hd, M6 x 16mm, Cl 5.8, Full Thd

2шт.

Выбрано товаров: 8