Запчасти Case IH FARMALL 85C (55.513.AC[01]) - VAR - 332606, 333606, 334183, 334211, 335629, 335632, 335633, 337606, 391606, 743496, 743573, 744588 - TRANSMISSION, CONTROL, POWERSHUTTLE, SWITCH, HI-LO, CAB (55) - ELECTRICAL SYSTEMS

Схема запчастей Case IH FARMALL 85C - (55.513.AC[01]) - VAR - 332606, 333606, 334183, 334211, 335629, 335632, 335633, 337606, 391606, 743496, 743573, 744588 - TRANSMISSION, CONTROL, POWERSHUTTLE, SWITCH, HI-LO, CAB (55) - ELECTRICAL SYSTEMS
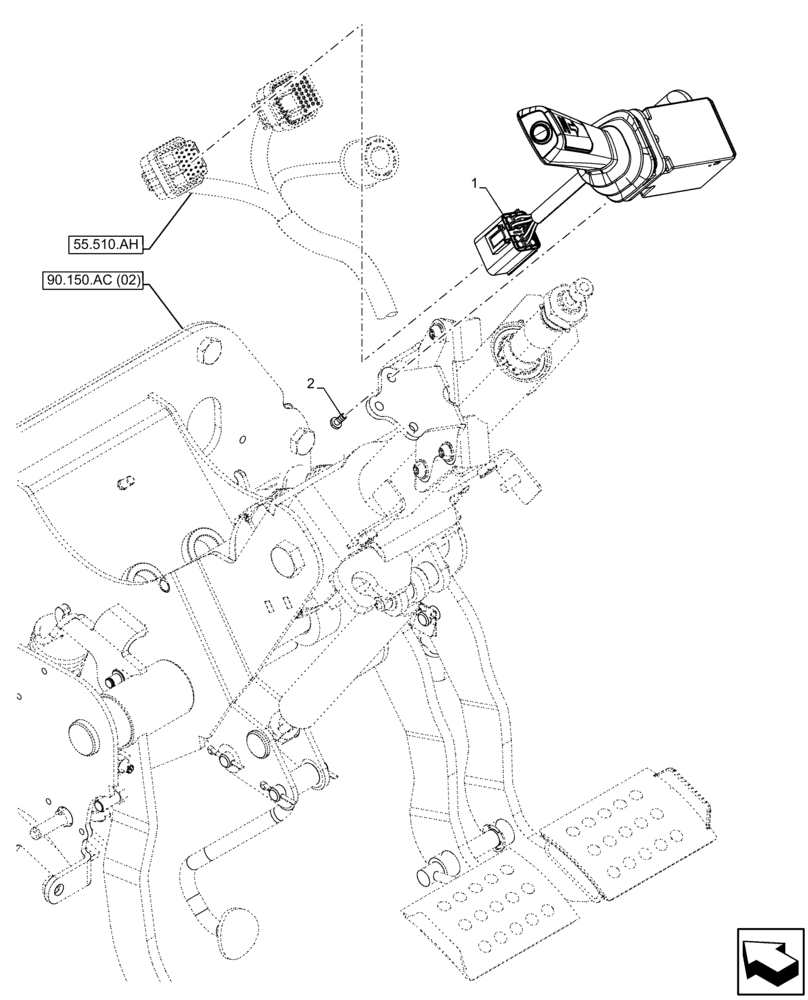
1
55.510.ah
2
90.150.ac (02)
FIT
1:1
100%

Артикул

Название

Примечание

Количество

1

84478163

TOGGLE SWITCH

Control Transmission, Years: -14-MAY-15

1шт.

1

47527627

TOGGLE SWITCH

, Start Year: 15-MAY-15

1шт.

2

13271914

SCREW,Pozidriv Pan Hd, M4 x 10mm, Cl 5.8, Full Thd

, Years: -14-MAY-15

3шт.

2

13271824

SCREW,Pozidrive, Pan HD, M4 x 8mm, Cl 8.8

, Start Year: 15-MAY-15

3шт.

Выбрано товаров: 4