Запчасти Case IH FARMALL 90 (1.19.1[01]) - DRY AIR CLEANER (02) - ENGINE EQUIPMENT

Схема запчастей Case IH FARMALL 90 - (1.19.1[01]) - DRY AIR CLEANER (02) - ENGINE EQUIPMENT
13
8
9
1
home
5
4
12
2
7
6
3
10
11
FIT
1:1
100%

Артикул

Название

Примечание

Количество

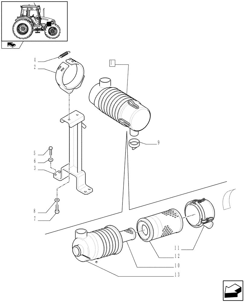
1

5097073

AIR CLEANER

ASSY

1шт.

2

5097043

COLLAR

1шт.

3

87678553

SUPPORT

1шт.

4

5090988

SPRING,12mm OD x 50mm

2шт.

5

16043624

SCREW,Hex, M8 x 1.25 x 25mm, Cl 8.8, Full Thd

4шт.

6

11193974

BELLEVILLE WASHER,M8 Bolt Size x 22mm OD x 1.5mm Thk

4шт.

7

15970324

SCREW,Hex, M10 x 1.25 x 16mm, Cl 8.8, Full Thd

2шт.

8

12601471

WAVE WASHER,10.5mm OD x 21mm ID x 1mm Thk

2шт.

9

5080448

DUST VALVE

1шт.

10

5080445

ELEMENT

1шт.

11

5080447

COVER

1шт.

12

47137832

AIR FILTER

1шт.

13

5080446

DUST VALVE

2шт.

Выбрано товаров: 13