Запчасти Case IH FARMALL 90 (1.82.7/01[01]) - 2 CONTROL VALVES - CONTROL VALVES AND QUICK COUPLINGS (VAR.335368-335413-335417) (07) - HYDRAULIC SYSTEM

Схема запчастей Case IH FARMALL 90 - (1.82.7/01[01]) - 2 CONTROL VALVES - CONTROL VALVES AND QUICK COUPLINGS (VAR.335368-335413-335417) (07) - HYDRAULIC SYSTEM
4
1
19
13
20
17
10
9
21
2
6
5
13
3
a
1
8
12
16
1.82.7/c
home
1.82.7/01c
1.82.7/01b
1
18
12
19
15
7
14
1
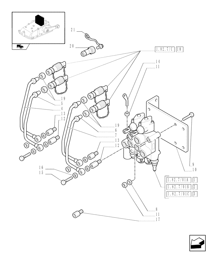
1.82.7/01
1
FIT
1:1
100%

Артикул

Название

Примечание

Количество

1

5094668

HYDRAULIC VALVE

ASSY, VAR.335368

1шт.

(1 S/D + Double Acting)

1шт.

2

5095110

HYDRAULIC VALVE

ASSY, VAR. 335413

1шт.

(1 S/D + 1 Double Acting W/Float and Kick out)

1шт.

3

5095111

HYD VALVE SECTION

ASSY, VAR. 335417

1шт.

(1 S/D W/Kick out + 1 Double Acting W/Float and Kick out)

1шт.

4

5092065

TUBE

Quick Coupling, First, 449MM

1шт.

5

5092067

TUBE

Quick Coupling, Second, 415MM

1шт.

6

5094320

TUBE

Quick Coupling, Third, 419MM

1шт.

7

5094324

TUBE

Quick Coupling, Fourth, 364.5MM

1шт.

8

10571779

LOCK WASHER,Helical Spring, 8.10mm ID x 14.80mm OD x 2.00mm, ZNM

3шт.

9

16044421

SCREW,Hex, M8 x 60mm, Cl 8.8

2шт.

10

5092077

SUPPORT

1шт.

11

16100811

NUT,Hex, M8, 6.80mm, Cl 8, ZND

4шт.

12

5092079

SPACER,M18 x 1.5 NPT x M18 x 1.5

M18/59MM

2шт.

13

5092080

SPACER,M18 x 1.5 Male ORFS x M18 x 1.5 Female ORFS

M18/29MM

2шт.

14

5089075

EYEBOLT,M8

2шт.

15

5100984

BANJO BOLT,M18 x 1.5, 34mm L

7шт.

16

10259960

SEAL,Rectangular, 18.30mm ID x 24.00mm OD x 1.50mm, Copper

19шт.

17

5121789

REDUCER,M18 x 1.5 M ORB; M18 x 1.5 F ORB

M18/33MM

1шт.

18

5093853

COUPLING, QUICK, FEM,Black

Black

4шт.

Ankara Plant

1шт.

19

5129168

BHD LOCK NUT,M24 x 1.5

4шт.

20

5189322

QUICK MALE COUPLING,66mm L

include p/n 1534623C1

4шт.

Jesi Plant

1шт.

1534623C1

SEAL KIT

1шт.

21

5186723

DUST CAP,24mm, Black

Black

4шт.

Jesi Plant

1шт.

Выбрано товаров: 28