Запчасти Case IH FARMALL 90C (10.500.AA) - VAR - 743543, 744574 - DEF/ADBLUE™ TANK (10) - ENGINE

Схема запчастей Case IH FARMALL 90C - (10.500.AA) - VAR - 743543, 744574 - DEF/ADBLUE™ TANK (10) - ENGINE
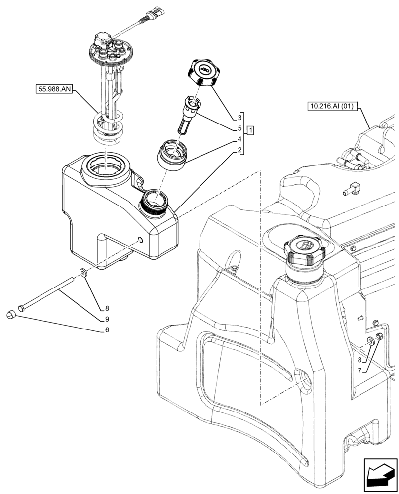
3
8
4
5
7
1
6
8
10.216.ai (01)
9
2
55.988.an
FIT
1:1
100%

Артикул

Название

Примечание

Количество

1

47632513

EXHAUST FLUID TANK

ASSY, Incl 2 - 5

1шт.

See also Figure 55.988.AN

1шт.

2

NSS

NOT SOLD SEPARAT

Tank, Incl in 1

1шт.

3

84206552

FILLER CAP,Male

1шт.

4

84236736

NECK FILLER

1шт.

5

84363730

FILTER, DEF,100 Micron

1шт.

6

84291550

CAP

1шт.

7

412672

NUT,Hex, M12 x 1.75, Cl 10

1шт.

8

87376144

WASHER,13mm ID x 28mm OD x 5mm Thk

13 x 28 x 5 mm HTS ZND

2шт.

9

9837782

BOLT,Hex, M12 x 1.75 x 230mm, Cl 8.8

1шт.

Выбрано товаров: 10