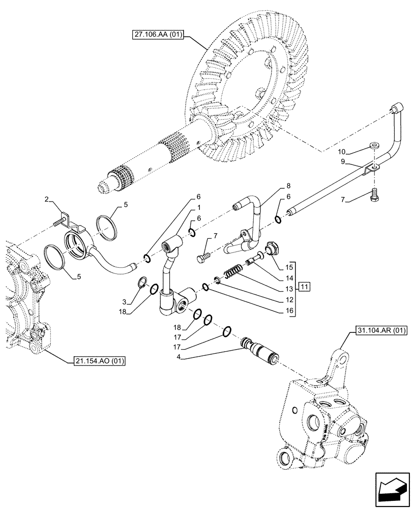
Запчасти Case IH FARMALL 90C (21.100.AM[01]) - VAR - 336842, 390067, 743546, 744576 - TRANSMISSION LUBRICATION LINE, INTERNAL (21) - TRANSMISSION

Схема запчастей Case IH FARMALL 90C - (21.100.AM[01]) - VAR - 336842, 390067, 743546, 744576 - TRANSMISSION LUBRICATION LINE, INTERNAL (21) - TRANSMISSION
21.154.ao (01)
18
18
13
3
10
7
17
6
4
8
6
17
5
6
16
15
5
9
14
2
1
7
11
12
27.106.aa (01)
31.104.ar (01)
FIT
1:1
100%

Артикул

Название

Примечание

Количество

1

47803935

PIPE

Lubrication

1шт.

2

47684265

MANIFOLD

1шт.

3

11066676

SNAP RING,M18, Ext

1шт.

4

84524149

BANJO BOLT,21.95mm x 82.25mm

1шт.

5

47684266

GASKET

2шт.

6

5103230

O-RING,2.62mm Thk x 11.91mm ID

3шт.

7

16043414

BOLT,Hex, M8 x 1.25 x 20mm, Cl 5.8, Full Thd

2шт.

8

84350400

PIPE

Lubrication

1шт.

9

47604332

TUBE

Pinion Lubrication

1шт.

10

12654404

WASHER,8.15mm ID x 17mm OD x 3mm Thk

1шт.

11

5180935

VALVE

Pressure Control, ASSY, Incl 12 - 16

1шт.

12

5165438

SHIM,9.1mm ID x 13.5mm OD x 2.5mm Thk

1шт.

13

5180927

SPRING,13.1mm x 38mm

1шт.

14

5165484

VALVE

1шт.

15

5165488

HYD CONNECTOR,M18 x 1.5, 9 mm L

1шт.

16

5165486

CIRCLIP,9mm

1шт.

17

14457380

O-RING,0.103" Thk x 0.674" ID, -115, Cl 5, 75 Duro

2шт.

18

14457480

O-RING,18.72mm ID x 2.62mm Thk , -116, Cl 5

2шт.

Выбрано товаров: 18