Запчасти Case IH FARMALL 90C (82.300.AY[08]) - VAR - 336740, 336742 - LOADER BUCKET, PIN, W/ DIVERTER, W/O SELF-LEVELING (82) - FRONT LOADER & BUCKET

Схема запчастей Case IH FARMALL 90C - (82.300.AY[08]) - VAR - 336740, 336742 - LOADER BUCKET, PIN, W/ DIVERTER, W/O SELF-LEVELING (82) - FRONT LOADER & BUCKET
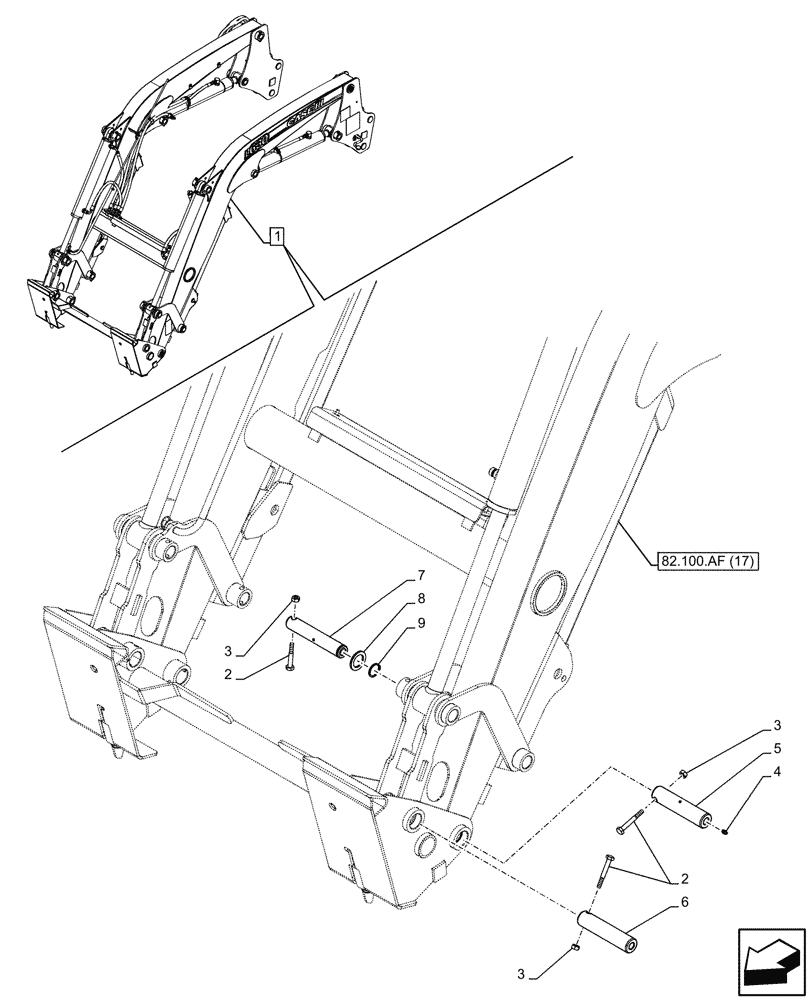
82.100.af (17)
6
1
7
5
2
8
3
3
3
4
9
2
FIT
1:1
100%

Артикул

Название

Примечание

Количество

1

47696354

LOADER

ASSY, Incl 2 - 9

1шт.

See also Loader Components in Figure 35.701.AX (08), 35.701.CB (10), 35.723.AA (12), 35.723.AB (08), 35.723.AF (07), 55.415.AQ (08), 82.100.AA (08), 82.100.AF (17), 82.100.AF (18), 82.100.BG (08), 82.300.AB (08), 82.300.AX (13), 90.108.AB (15), 90.108.AC (35)

1шт.

SSL Tool Attach.

1шт.

1

47696335

LOADER

ASSY, Incl 2 - 9

1шт.

See also Loader Components in Figure 35.701.AX (08), 35.701.CB (10), 35.723.AA (12), 35.723.AB (08), 35.723.AF (07), 55.415.AQ (08), 82.100.AA (08), 82.100.AF (17), 82.100.AF (18), 82.100.BG (08), 82.300.AB (08), 82.300.AX (14), 90.108.AB (15), 90.108.AC (35)

1шт.

EU Tool Attach.

1шт.

2

86624979

BOLT,Hex, M10 x 75mm, Cl 10.9

6шт.

3

12574511

LOCK NUT,M10 x 1.25, Cl 8

6шт.

4

87588865

FITTING,M6 x 1 x 12mm L

2шт.

5

84393572

PIN,38mm OD x 167.5mm L

2шт.

6

84575159

PIN

2шт.

7

84575160

PIN

2шт.

8

84406164

SPACER

2шт.

9

84406163

LOCKING RING

2шт.

Выбрано товаров: 14