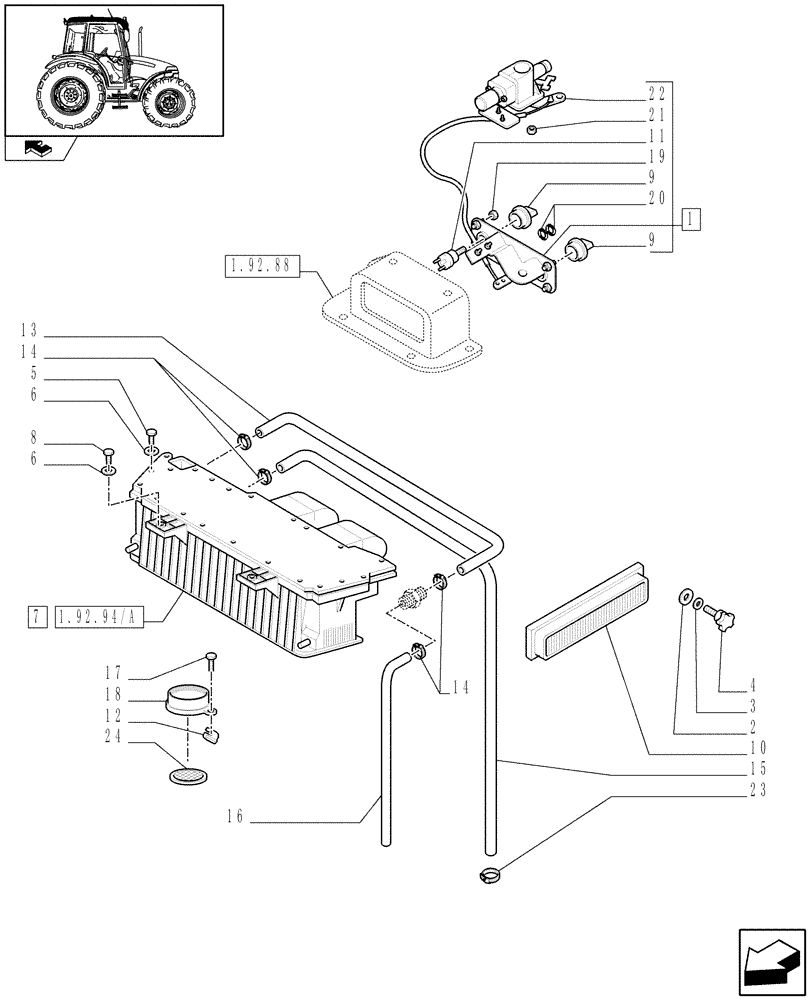
Запчасти Case IH FARMALL 95 (1.92.94[03]) - CAB - HEATING SYSTEM - C6060 (10) - OPERATORS PLATFORM/CAB

Схема запчастей Case IH FARMALL 95 - (1.92.94[03]) - CAB - HEATING SYSTEM - C6060 (10) - OPERATORS PLATFORM/CAB
4
22
9
16
2
6
21
6
17
14
9
24
home
1.92.94/a
7
13
23
12
20
19
5
1.92.88
1
14
11
3
8
18
15
10
FIT
1:1
100%

Артикул

Название

Примечание

Количество

1

5080103

SWITCH ASSY

1шт.

2

5094485

WASHER

1шт.

3

5094484

WASHER

1шт.

4

5092916

KNOB

1шт.

5

10903021

SCREW,Hex, M6 x 35mm, Cl 8.8

2шт.

6

10519401

WASHER,6.4mm ID x 11.95mm OD x 1.6mm Thk

4шт.

7

82034851

UNIT HEATER

1шт.

8

10902421

SCREW,Hex, M6 x 20mm, Cl 8.8

2шт.

9

5091886

KNOB

2шт.

10

87603874

CAB FILTER

Std

1шт.

10

5097838

CAB FILTER,Carbon

Carbon

1шт.

Carbon Filter, VAR.330645

1шт.

11

5091892

SWITCH

Fan

1шт.

12

14226690

SQUARE NUT

12шт.

13

87651676

HOSE,16.00 mm ID x 1570.00 mm

1шт.

14

5085797

CLAMP

5шт.

15

87638064

HOSE,1100.00 mm

1шт.

16

5091896

HEATER HOSE,16mm ID x 1080mm L

Heater Valve to Heater

1шт.

17

15909407

SELF-TAP SCREW,Pozidriv Oval Hd, M3.5 x 1.3 x 19mm

12шт.

18

87574468

VENT

6шт.

19

81868671

NUT

1шт.

20

81829134

LOCK WASHER,0.464" ID x 0.76" OD x 0.04" Thk

2шт.

21

80274562

NUT

1шт.

22

5091894

DRAINCOCK/TAP SUPPLY

1шт.

23

5097835

COLLAR

3шт.

24

87574476

FILTER

2шт.

Valid with FARMALL 90, JX90, JX95 Models

1шт.

Выбрано товаров: 27