Качественные детали и логистика
Оригинальные и аналоговые запчасти с доставкой по России, Казахстану и Беларуси
©2022 PartSell ООО "Система" ИНН 2463123282 ОГРН 1212400004838
Центральный офис: г. Красноярск, Академика Киренского, д.87, пом.4
Телефон: 8 (800) 777-65-74 Email: zakaz@partsell.ru
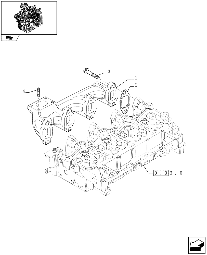
(0.07.7) - EXHAUST MANIFOLD
№
Артикул
Название
Примечание
Количество
1
2831203
EXHAUST MANIFOLD
1шт.
2
2830445
MANIFOLD GASKET
4шт.
3
2852834
SCREW,Hex Flg, M10 x 1.5 x 40mm
M10X1,5X40
8шт.
4
4899119
STUD,M8 x 1.25 x 40
Выбрано товаров: 0