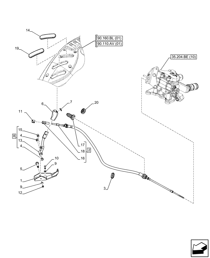
Запчасти Case IH FARMALL 95C (35.204.BL[02]) - VAR - 743568 - REMOTE CONTROL VALVE (1 REMOTE, 2 COUPLERS), CONTROL LEVER (35) - HYDRAULIC SYSTEMS

Схема запчастей Case IH FARMALL 95C - (35.204.BL[02]) - VAR - 743568 - REMOTE CONTROL VALVE (1 REMOTE, 2 COUPLERS), CONTROL LEVER (35) - HYDRAULIC SYSTEMS
90.160.bl (01)
3
11
8
10
13
9
4
14
15
19
7
4
17
18
1
9
2
16
12
6
5
20
35.204.be (10)
90.110.av (01)
FIT
1:1
100%

Артикул

Название

Примечание

Количество

1

84295559

SUPPORT

1шт.

2

84296420

FLEXIBLE CONTROL

LH, ASSY, Incl 16 - 18

1шт.

3

81862738

PLUG,M38 x 28 x 5mm

2шт.

4

84295562

BUSHING,10mm ID x 12mm OD x 10mm L

2шт.

5

84302881

PIN,16.2mm OD x 49.5mm L

1шт.

6

47381094

KNOB,Black

CASE, Black

1шт.

7

87698505

DATA PLAQUE

For Green Remote

1шт.

8

84395524

LEVER

ASSY, Incl 4, 13, 15

1шт.

9

11197774

BELLEVILLE WASHER,M6 Bolt Size x 12mm OD x 1.2mm Thk

3шт.

10

86980360

BOLT,Hex, M6 x 1 x 20mm, Cl 8.8, Full Thd

2шт.

11

10125574

CLAMP,13mm

13 x 15 STL DAC

1шт.

12

12575411

LOCK NUT,M6 x 1, Cl 8

1шт.

13

84324148

LEVER

1шт.

14

84354391

PLUG,25.5mm x 104mm Hole

144 x 35.5, Black, Cab

1шт.

14

47488551

PLUG,Lapreme black color

112 x 28, Black, W/O Cab

1шт.

15

10051711

BALL STUD

Size 13 R50 ZND

1шт.

16

10124511

BALL JOINT HEAD,M13 x 45mm L, M8 Thread

M13 x 45 Type Socket Lite STL Z

3шт.

17

82006917

GROMMET,7.8mm ID x 34mm OD, Rubber, Black

, Years: -17-NOV-13

1шт.

18

NSS

NOT SOLD SEPARAT

Cable, Incl in 2

1шт.

19

84354391

PLUG,25.5mm x 104mm Hole

144 x 35.5, Black, Cab

1шт.

19

47485108

PLUG

122 x 30, Black, W/O Cab

1шт.

20

84325372

GROMMET,9mm ID x 30mm OD x 9mm L

Incl in 2, Start Year: 18-NOV-13

1шт.

Выбрано товаров: 22