Запчасти Case IH FARMALL 95C (35.701.AD) - FRONT LOADER HYDRAULIC SYSTEM (35) - HYDRAULIC SYSTEMS

Схема запчастей Case IH FARMALL 95C - (35.701.AD) - FRONT LOADER HYDRAULIC SYSTEM (35) - HYDRAULIC SYSTEMS
14
8
4
14
7
10
3
13
16
7
12
9
15
14
7
35.204.bs (01)
7
16
1
9
14
14
13
5
15
14
12
10
11
2
1
8
15
11
15
6
FIT
1:1
100%

Артикул

Название

Примечание

Количество

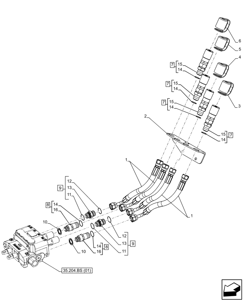
1

47554530

PIPE

4шт.

2

87336093

BRACKET

1шт.

3

87305167

PLUG

Blue

1шт.

4

87305168

PLUG

Red

1шт.

5

87305166

PLUG

Green

1шт.

6

87305169

PLUG

Yellow

1шт.

7

87305110

COUPLING, QUICK, FEM

ASSY, Incl 14 (Qty 1), 15 (Qty1)

4шт.

8

87304603

HYD CONNECTOR,13/16" - 16 ORFS x M18 x 1.5 ORB

ASSY, Incl 14 (Qty 1), 16 (Qty1)

2шт.

9

5185561

HYD CONNECTOR,Straight, M18 x 1.5 UN/UNF, 13/16"-16" ORFS

ASSY, Incl 11 - 13

2шт.

10

5186176

SEALING WASHER,15.80mm ID x 26.92mm OD x 1.50mm, Steel, Zinc

2шт.

11

5185511

O-RING,1.78mm Thk x 12.42mm ID, 85 Duro

1шт.

12

14437985

O-RING,15.3mm ID x 2.4mm

1шт.

13

NSS

NOT SOLD SEPARAT

Hyd. Connector, Incl in 9

1шт.

14

5185511

O-RING,1.78mm Thk x 12.42mm ID, 85 Duro

6шт.

15

NSS

NOT SOLD SEPARAT

Quick Coupling, Incl in 7

4шт.

16

NSS

NOT SOLD SEPARAT

Connector, Incl in 8

2шт.

Выбрано товаров: 16