Запчасти Case IH FARMALL 95C (35.701.CH[02]) - VAR - 336735, 336739, 336745, 336747 - LOADER BUCKET, VALVE, PIPE (35) - HYDRAULIC SYSTEMS

Схема запчастей Case IH FARMALL 95C - (35.701.CH[02]) - VAR - 336735, 336739, 336745, 336747 - LOADER BUCKET, VALVE, PIPE (35) - HYDRAULIC SYSTEMS
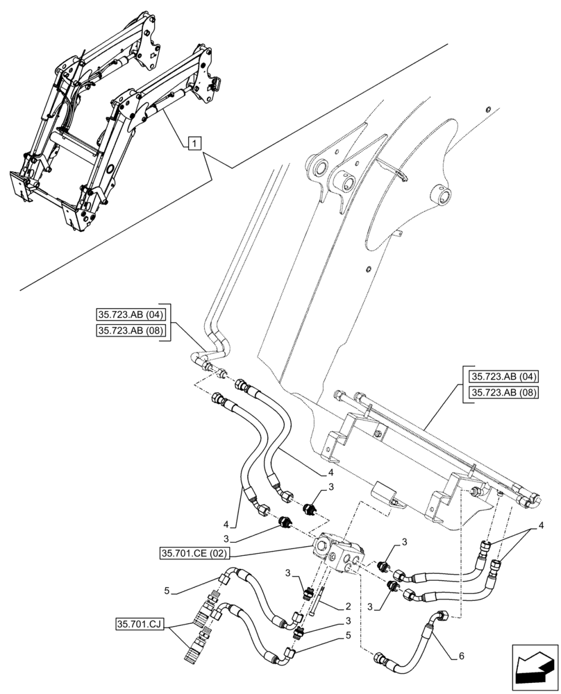
6
3
4
35.723.ab (04)
5
3
3
3
2
3
35.723.ab (08)
35.701.cj
35.723.ab (08)
1
4
3
35.701.ce (02)
35.723.ab (04)
4
5
FIT
1:1
100%

Артикул

Название

Примечание

Количество

1

47649271

LOADER

ASSY

1шт.

Front Loader (LIGHT, Self Leveling) with 4 couplers, with Diverter - SSL Tool Attach., Var. 336735

1шт.

1

47649265

LOADER

ASSY

1шт.

Front Loader (LIGHT, Self Leveling) with 4 couplers, with Diverter - EU Tool Attach., Var. 336739

1шт.

1

47649274

LOADER

ASSY

1шт.

Front Loader (HEAVY, Self Leveling) with 4 couplers, with Diverter - SSL Tool Attach., Var. 336745

1шт.

1

47504995

LOADER

ASSY

1шт.

Front Loader (HEAVY, Self Leveling) with 4 couplers, with Diverter - EU Tool Attach., Var. 336747

1шт.

2

14306021

HEX SOC SCREW,M6 x 50mm, Cl 8.8

2шт.

3

47612292

FITTING

6шт.

4

47614401

HOSE

4шт.

5

47612280

HOSE

2шт.

6

47657223

HYDRAULIC HOSE

1шт.

Выбрано товаров: 13